利用DSP实现IIR滤波器的精度扩展
时间:11-25
来源:互联网
点击:
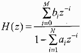
TMS320C54X(以下简称"C54X)是TI公司于1996年推出的新一代高性能定点DSP。该系列芯片具有很高的性能价格比、体积小、功耗低、功能强,已成为通信、计算机、消费类电子产品等领域的重要器件。数字滤器的设计是数字信号处理领域的一个重要部分。在用定点DSP器件设计数字滤波器时,一个重要的问题就是由于硬件字长精度有限,运算会出现溢出。IIR滤波器可以用较少的阶数获得很高的选择特性,所用的存储单元少、运算次数少,具经济、高效的特点。在相位要求不敏感的场合,如语音通信等,很适合用IIR滤波器;但是在有限精度的运算中,可能出现不稳定现象。因此,有必要讨论一下如何在定点的DSP芯片"C54X上实现扩展精度的IIR滤波器。 1 "C54X DSP上扩展精度乘法的实现 "C54X芯片的CP内含有2个40bit的累加器(ACC A和ACC B)、1个17%26;#215;17bit乘法器以及1个40 bit加法器。这就使得该乘法器可以实现2个无符号数、2个有符号数或无符号数和有符号数的乘法。 累加器ACC A和ACC B存放从ALU或乘法器/加法器单元输出的数据,也能输出到ALU或乘法器/加法器中。累加器包括3部分(见图1): ①保护位(bits 39~32),用来作为计算的前部留空(headmargin),防止在迭代运算(如自相关)中产生溢出; ②高位字(bits 31~16); ③低位字(bits 15~0)。 "C54X芯片内部的特点,使得扩展精度计算行之有效。其中一个就是进位的处理。算术逻辑单元ALU执行大多数指令操作,如循环与移位操作都会影响进位。进位操作通过调用ST0,设置或重设状态寄存器来修改。正常操作中,为了使累加器不至于装入饱和值,溢出模式应该设置为OVM=0。 "C54x内部的2条数据总线(CB和DB)允许一些指令在其周期内操作32bit操作码。长字节操作指令和双精度加减指令使用了32bit操作数,能够高效地实现多精度算术操作。硬件乘法器能够对有符号和无符号数进行操作,可以乘2个有符号数和2个无符号数。这样,32bit的乘法就能有地进行。 2个32bit整数的乘法,需要有1次乘法、3次乘法/累加和2次移位运算。其结果是1个64bit的整数,实现程序如下(假设事先已设好SXM=1,OVM=0)。


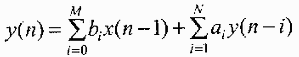
数据存储如下:H1,L1存32bit操作数;H2,L2存32bit操作数;R3,R2,R1,R0存64bit乘积 STM #L1,AR1 ;AR2→L1 STM #L2,AR3 ;AR3→L2 LD *AR2,T ;T=L1 MPYU *AR3+,A ;A=L1*L2 STL A,@R0 ;保存R0 LD A,-16,A ;A=A>>16 MACSU *AR2+,*AR3-,A;A=L1*L2>>16+L1*H2+H1*L2 MACSU *AR3+,*AR2,A;A=L1*L2>> ;16+L1*H2+H1*L2+H1*L2 STL A,@R1 ;保存R1 LD A,-16,A ;A=A>>16 MAC *AR2,*AR3,A ;A=(L1*L2+H1*H2)>>16+H1*H2 STL A,@R2 ;保存R2 STH A,@R3 ;保存R3 2 IIR滤波器的基本原理及编程实现 N级IIR滤波器的脉冲传递数表达式为

它的差分方程表达式为

由上式可见,y(n)由2部分构成;第1部分

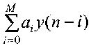
是一个对x(n)的M节延时结构。每节延时后加权相加,也就是一个横向结构网络。第2部分

也是一个N节延时的横向网络结构,不过它是对y(n)延时,因此也是个反馈网络。 数字滤波器运算结构的不同,将会影响系统运算的精度、误差、速度和经济性等性能指标。在一般情况下,都要求使用尽可能少的常数乘法器和延迟器来实现系统,并要求运算误差尽可能小。然而,这些要求有时是互相矛盾的,例如,为了获得个有较小运算误差的结构,使用的乘法器和延迟器的数目往往并不是最少的。IIR滤波器有以下几种基本网络结构:直接I型、直接II型、级联型和并联型。各种结构都有其优缺点。鉴于级联型常用于均衡器中,而且优点比较突出,所以,以级联型为便详细介绍其算法实现。 IIR滤波器在采用级联实现的,将传递函数分解为二阶传递函数的乘积,即 H(z)=H1(Z)H2(Z)…HM(Z) 每一级的子滤波器Hk(z)常取以下的形式:

一般级联实现都采用直接II型结构作为子滤波器的网络结构。使用直接II型的子滤波器的网络结构如图2所示。 二级级联IIR滤波器的主要实现程序如下: ;***已初始化了PMST=FFA0H,ST1=2300H, ;SWWSR=0,OVM=1,FRCT=1,SXM=1 STM #X,AR1 STM #Y,AR2 STM #d,AR3 ;AR3:d(n),d(n-1),d(n-2) RPT A,#5 ;初始化d(n),d(n-1),d(n-2)=0 STL A,*AR3+ STM #2,AR0 ;初始化Arn是地址偏移量为常数 INLOOP: STM #d+5,AR3 ;AR3:d(n),d(n-1),d(n-2) STM #table,AR4 ;AR4:IIR的系数A2,A1,B2,B1,B0 PORTR 100H,*AR1 ;从端口读入数据 LD *AR1,7,A STM #N-1,BRC ;计算IIR的节数N RPT ELOOP LOOP: ********反馈通道************** MAC *AR4+,*AR3-,A ;input+d(n-2)*A2 MAC *AR4,*AR3,A-;input+d(n-2)*A2+d(n-1)*A1 MAC *AR4+,*AR3-,A STH A,*AR3+0;d(n)=input+d(n-2)*A2+d(n-1)*A1 ********前向通道************* MPY *AR4+,*AR3-,A ;d(n-2)*B2 MAC *AR4+,*AR3,A;d(n-2)*B2+d(n-1)*B1 DELAY *AR3- ;d(n-2)=d(n-1) MAC *AR4+,*AR3,A;d(n-2)*B2+d(n-1)*B1+d(n)*B0 DELAY *AR3-;d(n-1)=d(n) ELOOP: STH A,*AR2;output=d(n-2)*B2+d(n-1)*B1+d(n)*B0 PORTW *AR2,200h ;将结果写入文件中 BINLOOP ;计算下一个输出

3 均衡器用扩展精度IIR滤波器的编程实现
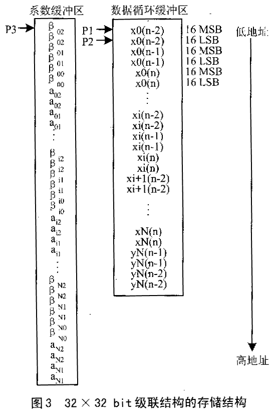
IIR滤波器的一个典型应用,就是用作均衡器。在级联型的结构中,可以用极点和零点配对的方法,把共轭的零、极点或相近的零、极点组合在一个二阶滤波器中,这对于降低有限字长系数的敏感程度十分有效。另外,交换级联次序也是减少有限字长效应的一个行之有效的方法。本文给出用二阶级联扩展精度IIR滤波器实现时域均衡器的程序。 本程序中使用了一个循环缓冲区用来存放数据,要求计算出的系数均循在-12~12dB。为了防止溢出,使最大增益为4,通常要结果右移2bit(相当于结果除4)。这样就范围变成了-24~0dB(因为20log(1/4)=-12dB)。每个滤波器的通带频率集中在某个比较感兴趣的频率段。滤波器系数的绝对值可能比1大。当用Q15格式表示时,必须除2的整次幂来满足限定的范围[-1,1~2 -15]。所以系数在存入存储器之前要右移,那么与此对应的在存入每个滤波器输出系数时要左移。32%26;#215;32bit直接II型的级联结构运算量如下:周期数为29,RAM为16字。寄存器数为6。 系数缓冲区和数据缓冲区的长度不同,且仅数据缓冲区是循环缓冲。32%26;#215;32bit级联结构的存储器结构如图3所示。


数据存储如下:H1,L1存32bit操作数;H2,L2存32bit操作数;R3,R2,R1,R0存64bit乘积 STM #L1,AR1 ;AR2→L1 STM #L2,AR3 ;AR3→L2 LD *AR2,T ;T=L1 MPYU *AR3+,A ;A=L1*L2 STL A,@R0 ;保存R0 LD A,-16,A ;A=A>>16 MACSU *AR2+,*AR3-,A;A=L1*L2>>16+L1*H2+H1*L2 MACSU *AR3+,*AR2,A;A=L1*L2>> ;16+L1*H2+H1*L2+H1*L2 STL A,@R1 ;保存R1 LD A,-16,A ;A=A>>16 MAC *AR2,*AR3,A ;A=(L1*L2+H1*H2)>>16+H1*H2 STL A,@R2 ;保存R2 STH A,@R3 ;保存R3 2 IIR滤波器的基本原理及编程实现 N级IIR滤波器的脉冲传递数表达式为

它的差分方程表达式为

由上式可见,y(n)由2部分构成;第1部分

是一个对x(n)的M节延时结构。每节延时后加权相加,也就是一个横向结构网络。第2部分

也是一个N节延时的横向网络结构,不过它是对y(n)延时,因此也是个反馈网络。 数字滤波器运算结构的不同,将会影响系统运算的精度、误差、速度和经济性等性能指标。在一般情况下,都要求使用尽可能少的常数乘法器和延迟器来实现系统,并要求运算误差尽可能小。然而,这些要求有时是互相矛盾的,例如,为了获得个有较小运算误差的结构,使用的乘法器和延迟器的数目往往并不是最少的。IIR滤波器有以下几种基本网络结构:直接I型、直接II型、级联型和并联型。各种结构都有其优缺点。鉴于级联型常用于均衡器中,而且优点比较突出,所以,以级联型为便详细介绍其算法实现。 IIR滤波器在采用级联实现的,将传递函数分解为二阶传递函数的乘积,即 H(z)=H1(Z)H2(Z)…HM(Z) 每一级的子滤波器Hk(z)常取以下的形式:

一般级联实现都采用直接II型结构作为子滤波器的网络结构。使用直接II型的子滤波器的网络结构如图2所示。 二级级联IIR滤波器的主要实现程序如下: ;***已初始化了PMST=FFA0H,ST1=2300H, ;SWWSR=0,OVM=1,FRCT=1,SXM=1 STM #X,AR1 STM #Y,AR2 STM #d,AR3 ;AR3:d(n),d(n-1),d(n-2) RPT A,#5 ;初始化d(n),d(n-1),d(n-2)=0 STL A,*AR3+ STM #2,AR0 ;初始化Arn是地址偏移量为常数 INLOOP: STM #d+5,AR3 ;AR3:d(n),d(n-1),d(n-2) STM #table,AR4 ;AR4:IIR的系数A2,A1,B2,B1,B0 PORTR 100H,*AR1 ;从端口读入数据 LD *AR1,7,A STM #N-1,BRC ;计算IIR的节数N RPT ELOOP LOOP: ********反馈通道************** MAC *AR4+,*AR3-,A ;input+d(n-2)*A2 MAC *AR4,*AR3,A-;input+d(n-2)*A2+d(n-1)*A1 MAC *AR4+,*AR3-,A STH A,*AR3+0;d(n)=input+d(n-2)*A2+d(n-1)*A1 ********前向通道************* MPY *AR4+,*AR3-,A ;d(n-2)*B2 MAC *AR4+,*AR3,A;d(n-2)*B2+d(n-1)*B1 DELAY *AR3- ;d(n-2)=d(n-1) MAC *AR4+,*AR3,A;d(n-2)*B2+d(n-1)*B1+d(n)*B0 DELAY *AR3-;d(n-1)=d(n) ELOOP: STH A,*AR2;output=d(n-2)*B2+d(n-1)*B1+d(n)*B0 PORTW *AR2,200h ;将结果写入文件中 BINLOOP ;计算下一个输出

3 均衡器用扩展精度IIR滤波器的编程实现
IIR滤波器的一个典型应用,就是用作均衡器。在级联型的结构中,可以用极点和零点配对的方法,把共轭的零、极点或相近的零、极点组合在一个二阶滤波器中,这对于降低有限字长系数的敏感程度十分有效。另外,交换级联次序也是减少有限字长效应的一个行之有效的方法。本文给出用二阶级联扩展精度IIR滤波器实现时域均衡器的程序。 本程序中使用了一个循环缓冲区用来存放数据,要求计算出的系数均循在-12~12dB。为了防止溢出,使最大增益为4,通常要结果右移2bit(相当于结果除4)。这样就范围变成了-24~0dB(因为20log(1/4)=-12dB)。每个滤波器的通带频率集中在某个比较感兴趣的频率段。滤波器系数的绝对值可能比1大。当用Q15格式表示时,必须除2的整次幂来满足限定的范围[-1,1~2 -15]。所以系数在存入存储器之前要右移,那么与此对应的在存入每个滤波器输出系数时要左移。32%26;#215;32bit直接II型的级联结构运算量如下:周期数为29,RAM为16字。寄存器数为6。 系数缓冲区和数据缓冲区的长度不同,且仅数据缓冲区是循环缓冲。32%26;#215;32bit级联结构的存储器结构如图3所示。
- F1aSh存储器在TMS320C3X系统中的应用(11-11)
- 基于PIC18F系列单片机的嵌入式系统设计(11-19)
- DSP在卫星测控多波束系统中的应用(01-25)
- 基于PCI总线的双DSP系统及WDM驱动程序设计(01-26)
- 利用Virtex-5 FPGA实现更高性能的方法(03-08)
- DSP与单片机通信的多种方案设计(03-08)
