单片机控制实时时钟设计
时间:09-03
来源:互联网
点击:
引言
X1226具有时钟和日历的功能,时钟依赖时、分、秒寄存器来跟踪,日历依赖日期、星期、月和年寄存器来跟踪,日历可正确显示至2099年,并具有自动闰年修正功能。拥有强大的双报警功能,能够被设置到任何时钟/日历值上,精确度可到1秒。可用软件设置1Hz、4096Hz或32768Hz中任意一个频率输出。
X1226提供一个备份电源输入脚VBACK,允许器件用电池或大容量电容进行备份供电。采用电容供电时,用一个硅或肖特基二极管连接到Vcc和充电电容的两端,充电电容连接到Vback管脚,注意不能使用二极管对电池充电(特别是锂离子电池)。切换到电池供电的条件是Vcc=Vback-0.1V,正常操作期间,供电电压Vcc必须高于电池电压,否则电池电量将逐步耗尽。振荡器采用外接32.768kH的晶体,产生的振荡误差可通过软件对数字微调寄存器、模拟微调寄存器的数值进行调节加以修正,避免了外接电阻和电容的离散性对精度的影响。4Kb的EEPROM可用于存储户数据。
电路组成及工作原理
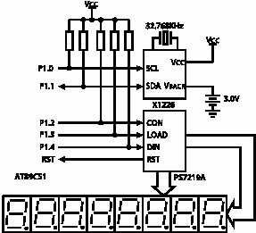
X1226可与各种类型的的微控制器或微处理器接口,接口方式为串行的I2C接口。其中数据总线SDA是一个双向引脚,用于输入或输出数据。其漏极开路输出在使用过程中需要添加4.7~10kΩ的上拉电阻。本文介绍89C51单片机与X1226的接口方法,由于89C51单片机没有标准的I2C接口,只能用软件进行模拟。

图1
为了更直观地看到时间的变化,采用8位LED数码管显示年、月、日或时、分、秒,用PS7219A驱动LED数码管,数码管选择0.5英寸共阴极红色或绿色LED数码管。由于PS7219A器件内含IMP810单片机监控器件,复位输出高电平有效,因此在使用51系统时,无须添加监控器件,使用PS7219A的复位输出给51单片机复位即可,监控电压为4.63V。硬件设计原理图如图1所示。
在硬件通电调试过程中,不能用手去触摸X1226的晶体振荡器,否则可能会导致振荡器停振,恢复振荡器起振的方法是关闭电源(包括备份电源)后重新上电。另外需要说明的是,测量振荡器时,不要用示波器的探头去测量X2的振荡输出,应该用探头测量PHZ/IRQ的振荡输出,以确定是否起振和振荡频率是否准确,测量时建议在该脚加一个5.1kΩ的上拉电阻。
软件设计
X1226内含实时时钟寄存器(RTC)、状态寄存器(SR)、控制寄存器(CONTROL)、报警寄存器(Alarm0、Alarm1)和客户存储数据的存储器。由于实时时钟寄存器和状态寄存器需要进行频繁的写操作,因此其存储结构为易失性SRAM结构。其他寄存器均为EEPROM结构,写操作次数通常在10万次以上。X1226初始化程序框图如图2所示,子程序YS4的作用是延时4μs。

图2

● 写操作
X1226初始化之后,单片机对X1226进行开始条件的设置,在写CCR或EEPROM之前,主机必须先向状态寄存器写02H,确认应答信号,确认后写入06H,再确认应答信号。确认后启动了写操作,首先发送高位地
址,然后发送低位地址。X1226每收到一个地址字节后,均会产生一个应答信号。在两个地址字节都收到之后,X1226等待8位数据。在收到8位数据之后,X1226再产生一个应答,然后单片机产生一个停止条件来终止传送。
X1226具有连续写入的功能,每收到1字节后,响应一个应答,其内部将地址加一。当计数器达到该页的末尾时,就自动返回到该页的首地址。这意味着单片机可从某一页的任何位置开始向存储器阵列连续写入64字节,或向CCR连续写入8字节的数据。写入X1226数据子程序:

● 读操作
在上电时,16位地址的默认值为0000H。X1226初始化操作之后,单片机对X1226进行开始条件的设置,在写CCR或EEPROM之前,主机必须先向状态寄存器写02H,确认应答信号,确认后写入06H,再确认应答信号。确认后启动了写操作,首先发送高位地址,然后发送低位地址。X1226每收到一个地址字节后,均会产生一个应答信号。单片机发送另一个开始条件,将R/W位设置为1,接着接受8位数据。单片机终止读操作时,无需等待X1226的应答信号,单片机即可设置停止条件。读出X1226数据子程序:

● 振荡器频率在线补偿调节
X1226集成了振荡器补偿电路,用户可通过软件在线对振荡器频率进行微调,这种微调通常针对两种情况。一种情况是在25℃常温下,对振荡器因器件初始精度带来的频率偏差进行补偿;第二种情况是对因温度引起的频率漂移进行补偿。X1226内部设有数字微调寄存器(DTR)和模拟微调寄存器(ATR),两个寄存器均为非易失性寄存器。数字微调寄存器具有3位数字微调位,调节范围为-30~+30×10-6。模拟微调寄存器具有6个模拟微调位,调节范围为-37~+116×10-6。
对于因外界环境温度变化引起的温漂补偿,要依据晶体的温度系数,在存储器中建立补偿参数表,不同厂家晶体的温度系数是不一样的,应根据产品数据手册进行选择。
为了能够对温漂进行补偿,要求系统中设置一个温度传感器,并尽量让它靠近X1226,这样可以真实地反映振荡器的温度,原理图如图3所示。单片机首先通过系统温度传感器获取环境温度,并在补偿参数表中获取对应的补偿值,然后将补偿数据填写到相应的微调寄存器中,就能实现温漂补偿的目的。

图3
由于X1226具有精密的振荡器补偿功能,因此非常适合于环境温度变化较大的应用场合,同时也降低了对晶体性能参数的要求。
X1226具有时钟和日历的功能,时钟依赖时、分、秒寄存器来跟踪,日历依赖日期、星期、月和年寄存器来跟踪,日历可正确显示至2099年,并具有自动闰年修正功能。拥有强大的双报警功能,能够被设置到任何时钟/日历值上,精确度可到1秒。可用软件设置1Hz、4096Hz或32768Hz中任意一个频率输出。
X1226提供一个备份电源输入脚VBACK,允许器件用电池或大容量电容进行备份供电。采用电容供电时,用一个硅或肖特基二极管连接到Vcc和充电电容的两端,充电电容连接到Vback管脚,注意不能使用二极管对电池充电(特别是锂离子电池)。切换到电池供电的条件是Vcc=Vback-0.1V,正常操作期间,供电电压Vcc必须高于电池电压,否则电池电量将逐步耗尽。振荡器采用外接32.768kH的晶体,产生的振荡误差可通过软件对数字微调寄存器、模拟微调寄存器的数值进行调节加以修正,避免了外接电阻和电容的离散性对精度的影响。4Kb的EEPROM可用于存储户数据。
电路组成及工作原理
X1226可与各种类型的的微控制器或微处理器接口,接口方式为串行的I2C接口。其中数据总线SDA是一个双向引脚,用于输入或输出数据。其漏极开路输出在使用过程中需要添加4.7~10kΩ的上拉电阻。本文介绍89C51单片机与X1226的接口方法,由于89C51单片机没有标准的I2C接口,只能用软件进行模拟。

图1
为了更直观地看到时间的变化,采用8位LED数码管显示年、月、日或时、分、秒,用PS7219A驱动LED数码管,数码管选择0.5英寸共阴极红色或绿色LED数码管。由于PS7219A器件内含IMP810单片机监控器件,复位输出高电平有效,因此在使用51系统时,无须添加监控器件,使用PS7219A的复位输出给51单片机复位即可,监控电压为4.63V。硬件设计原理图如图1所示。
在硬件通电调试过程中,不能用手去触摸X1226的晶体振荡器,否则可能会导致振荡器停振,恢复振荡器起振的方法是关闭电源(包括备份电源)后重新上电。另外需要说明的是,测量振荡器时,不要用示波器的探头去测量X2的振荡输出,应该用探头测量PHZ/IRQ的振荡输出,以确定是否起振和振荡频率是否准确,测量时建议在该脚加一个5.1kΩ的上拉电阻。
软件设计
X1226内含实时时钟寄存器(RTC)、状态寄存器(SR)、控制寄存器(CONTROL)、报警寄存器(Alarm0、Alarm1)和客户存储数据的存储器。由于实时时钟寄存器和状态寄存器需要进行频繁的写操作,因此其存储结构为易失性SRAM结构。其他寄存器均为EEPROM结构,写操作次数通常在10万次以上。X1226初始化程序框图如图2所示,子程序YS4的作用是延时4μs。

图2

● 写操作
X1226初始化之后,单片机对X1226进行开始条件的设置,在写CCR或EEPROM之前,主机必须先向状态寄存器写02H,确认应答信号,确认后写入06H,再确认应答信号。确认后启动了写操作,首先发送高位地
址,然后发送低位地址。X1226每收到一个地址字节后,均会产生一个应答信号。在两个地址字节都收到之后,X1226等待8位数据。在收到8位数据之后,X1226再产生一个应答,然后单片机产生一个停止条件来终止传送。
X1226具有连续写入的功能,每收到1字节后,响应一个应答,其内部将地址加一。当计数器达到该页的末尾时,就自动返回到该页的首地址。这意味着单片机可从某一页的任何位置开始向存储器阵列连续写入64字节,或向CCR连续写入8字节的数据。写入X1226数据子程序:

● 读操作
在上电时,16位地址的默认值为0000H。X1226初始化操作之后,单片机对X1226进行开始条件的设置,在写CCR或EEPROM之前,主机必须先向状态寄存器写02H,确认应答信号,确认后写入06H,再确认应答信号。确认后启动了写操作,首先发送高位地址,然后发送低位地址。X1226每收到一个地址字节后,均会产生一个应答信号。单片机发送另一个开始条件,将R/W位设置为1,接着接受8位数据。单片机终止读操作时,无需等待X1226的应答信号,单片机即可设置停止条件。读出X1226数据子程序:

● 振荡器频率在线补偿调节
X1226集成了振荡器补偿电路,用户可通过软件在线对振荡器频率进行微调,这种微调通常针对两种情况。一种情况是在25℃常温下,对振荡器因器件初始精度带来的频率偏差进行补偿;第二种情况是对因温度引起的频率漂移进行补偿。X1226内部设有数字微调寄存器(DTR)和模拟微调寄存器(ATR),两个寄存器均为非易失性寄存器。数字微调寄存器具有3位数字微调位,调节范围为-30~+30×10-6。模拟微调寄存器具有6个模拟微调位,调节范围为-37~+116×10-6。
对于因外界环境温度变化引起的温漂补偿,要依据晶体的温度系数,在存储器中建立补偿参数表,不同厂家晶体的温度系数是不一样的,应根据产品数据手册进行选择。
为了能够对温漂进行补偿,要求系统中设置一个温度传感器,并尽量让它靠近X1226,这样可以真实地反映振荡器的温度,原理图如图3所示。单片机首先通过系统温度传感器获取环境温度,并在补偿参数表中获取对应的补偿值,然后将补偿数据填写到相应的微调寄存器中,就能实现温漂补偿的目的。

图3
由于X1226具有精密的振荡器补偿功能,因此非常适合于环境温度变化较大的应用场合,同时也降低了对晶体性能参数的要求。
电容 二极管 电压 振荡器 电阻 电路 总线 单片机 51单片机 LED 示波器 传感器 温度传感器 相关文章:
- RS-485总线的理论与实践(11-11)
- 隔离技术在嵌入式系统接口中的应用(05-30)
- 电路中的电容滤波问题解析(10-12)
- 基于I2C的嵌入式多点触摸屏幕驱动设计(03-01)
- 基于STM8的电容感应式触摸按键方案在电磁炉中的应用(05-13)
- MSP430电容触摸转轮和LED PWM输出设计(01-26)
