一种基于PSoC的无线静载仪采集系统的设计
时间:01-27
来源:互联网
点击:

图2位移传感器输出信号格式
MS50传感器的输出时钟频率为90 kHz,出现标志位后,时钟信号第一次有电平向下跳变时,开始读取数据信号上的信息,直到尾部标志位出现为止。采集到的数据经过转换后,输出DATA和CLK两个信号,供CY8C24894读取。
压力子节点采用的是MPM480压阻式压力传感器,供电电源为15 V~28 V,输出为模拟信号4 mA~20mA。由于CY8C24894内部含有可编程增益放大器PGA和模数转换器ADC,所以将压力传感器输出信号转换为电压信号后直接连CY8C24894的模拟输人引脚。接口电路如图3所示。

图3压力传感器接口电路
2.4 总体硬件电路
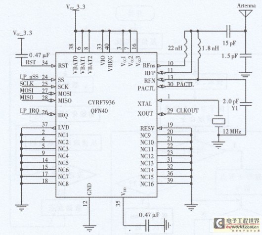
总体电路由4个位移子节点电路、1个压力子节点电路和1个汇聚节点电路组成。CY8C24894与CYRF7936的连接如图4所示。


图4 CY8C24894与CYRF7936
子节点包括位移传感器子节点和压力传感器子节点两种。CY8C24894读取位移数据后,将位移量保存在数据存储器中,并保持位移量实时更新。当需要传输位移数据量时,CY8C24894控制SPI总线以主设备模式向从设各模式的无线射频模块CYRF7936传输信号,并以无线方式发送出去,SPI模块工作时钟YCI为系统的四分频,即6 MHz。压力传感器子节点输出的是模拟量,因此需要进行A/D转换后才能由控制核心CY8C24894存储和控制射频模块发送。而A/D转换功能使用CY8C24894可编程片上系统自身所带的12位模数转换器,模数转换器在CY8C24894中需要占用2个可编程数字用户模块和1个可编程模拟模块。子节点电路设计如图5所示。

图5子节点电路设训
汇聚节点的硬件设计和子节点的硬件设计类似,但是不再需要前端采集模块。汇聚节点在解析命令后通过SPI总线控制CYRF7936无线射频模块发送命令。在得到回复后将信息再由CYRF7936无线别频模块通过SPI总线传输给控制核心,并最终通过USBUART仿真串口反馈给上位机。汇聚节点电路如图6所示。

图6汇聚节点电路设计
3 系统软件设计
3.1 子节点软件设计
子节点采集功能分为位移量采集和压力量采集。位移传感器的输出信号在CLK时钟信号出现下跳沿时,开始数据传输,而如果此时出现中断,则会导致位移量采集无法进行,在检测到CLK的标志信号后,应关闭中断,让位移数据采集正常进行,读取完成后对数据进行处理并保存更新,同时再次打开外部中断,等待下一次位移数据的采集,位移量采集流程如图7所示。

图7位移量采集流程
压力采样过程为:首先读取压力传感器的输入信号,并通过CY8C24894内部可编程增益放大器PGA对模拟信号进行放大,对放大后的压力数据进行模数转换,其中模数转换器ADCINC12时钟为VC2,即val的三分频2 MHz。转换完成后,对数据进行处理、保存、更新,压力量采集流程如图8所示。

图8压力量采集流程
3.2 汇聚节点软件设计
在接到上位机命令后,汇聚节点进行命令解析。当开始读取并更新数据工作时,首先读取汇聚节点在侦测阶段确认的子节点个数和网络标号,按照网络标号开始逐个读取位移量。没有得到回复时,反复二次延时70 ms再次发送读取命令,若还没有回复则工作指示灯熄灭,转向下一个子节点;如果得到回复,则更新原先存储在汇聚节点的该子节点信息并保存,计数器加一,完成后向下一个节点发送读取信息,直到之前侦测得到所有节点全部询问到。当进人传输数据工作时,初始化USBUART功能模块,并打开全局中断。检测需要发送的数据个数,发送数据个数非空时,从读取区读取待发送的数据,并检测发送区是否空闲,当发送准各完毕后,开始数据传输。汇聚节点工作流程如图9所示。
单片机 电子 USB 仿真 SoC PSoC 射频 Cypress 传感器 压力传感器 滤波器 放大器 电压 比较器 收发器 示波器 ADC 电路 总线 相关文章:
- 自学单片机心得体会(06-17)
- 基于霍尔传感器的直流电机转速测量系统设计(11-14)
- 基于8051F单片机的数字音频信号源的幅度控制(12-01)
- 动态参数检测与虚拟仪器综合系统设计(11-26)
- 基于C8051F005单片机的小电阻测试仪(01-05)
- 基于MSP430F149的阻抗测量系统设计(01-15)
