卫星电视高频头工作原理

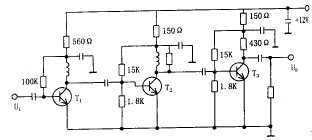
图7 集中参数电路
由于中放是宽频带电路,所以不能使用调谐回路,元件为无引线型,电路尺寸紧凑。但由于R、C元件的离散性,往往难以得到严格符合设计要求的数值,所以单级增益低;但可以用增加级数的方法加以解决,一般由3~4级组成,增益约为20 dB。
分布参数的中放电路可以用微带形式实现,参见图8所示。可先测出晶体管的S参数,然后设计微带匹配电路。分布参数电路的优点是电路一致性较好,容易达到单级最佳性能,所以放大器一般是2~3级。

图8 分布参数电路
混合形式的电路是用一部分微带线和部分集中参数元件组成的。当第一级管子的S11值适当时,可用较短的传输线和分支微带组成输入电路,能获得较低的噪声。级间和输出电路可采用微带和集中参数元件的结合。它设计灵活,兼有分布和集中参数电路的优点。
室外单元的直流供电由连接室外单元的75 Ω高电缆芯线提供。室内单元的直流电源通过高频扼流圈传送给室外单元,它对(3.7~4.2) GHz的微波信号和第一中频信号均无影响。通常16 V~24 V的电压,一路送去LNA,另一路送到室外单元的稳压电路,稳压后供室外单元其他各级使用。
3 卫星电视下变频器的主要技术要求
由于卫星电视接收系统中天线接收到的卫星下行微波信号非常微弱,为保证信号的质量,将接收到的卫星下行频率信号进行放大并变频,C频段卫星电视下变频器应该满足的主要技术要求如下:
(1)振幅-频率特性好。振幅-频率特性是指输入电平恒定下,输入信号频率变化时输出端电平变化的特性,主要包括通频带、功率增益、增益波动及增益斜率
方面。
通频带要求下变频器的输入频段与卫星下行频段一致,输出频段与卫星接收机的输入频段一致,而且下变频器的输入输出频段的带宽一致;
功率增益是指输出功率与输入功率之比;
增益波动是指在中频输出的频带内,最大增益与最小增益之差;
增益斜率是指在中频输出的频带内,单位频带内增益的变化率。
(2)噪声系数低。噪声系数是指下变频器整体的等效输入噪声,即将整个电路产生的热噪声等效于在输入端的一个噪声源,通常用噪声温度表示。
(3)本振频率特性好。它包括第一本振频率的标称值、第一本振频率的稳定度、第一本振频率的泄漏。
(4)输入输出的电压驻波比及回波损耗小,输出的电压驻波比及回波损耗在中频频段内测量,输入的电压驻波比及回波损耗在下行微波频段内测量。
(5)功率增益高。它是指下变频器的中频信号输出功率大。
(6)增益稳定性好。这是指在中频输出的频带内增益随时间变化的起伏小。
(7)多载波互调比小。这是指多个不同频率的信号进入下变频器时的相互调制产物小。
(8)输入饱和电平高。这主要是指输入信号超过额定范围时,引起下变频器进入非线性工作区的影响小。
(9)镜像干扰抑制比高。这是表示下变频器抑制镜频信号的能力好。当下变频器工作在线性范围时,输入幅度相等的带内信号和镜频信号两者在输出端电平比即镜像干扰抑制比。
(10)群时延特性好。这是指下变频器造成的群时延小。
(11)杂散信号少。这是指互调产物之外的无用信号少。
(12)残余调制噪声小。这是指当输入端加一标称频率、标称电平的纯正弦信号时,输出信号中含有的附加噪声小。
这些技术要求中,以本振频率稳定度高、噪声温度低、幅频特性好为最重要。
以上对C频段高频头的主要技术要求可以概括成表1所示。但表1是针对接收C频段卫星模拟电视信号的高频头而言的,如果在接收卫星数字信号时,则除了选用噪声温度低,本振频率稳定度高,动态增益大外,还必须选用本振相位噪声小的高频头,因为在接收卫星数字信号时,高频头的本振相位噪声和本振频率稳定度大小对接收信号质量是至关重要的(因为会影响到数字信号的误码率)。用于数字压缩卫星接收系统的高频头要求本振相位噪声小于-65 dBc/Hz(在1 kHz处);本振频率稳定度小于±500 kHz。

对于Ku频段高频头的选择,由于目前我国使用的通信卫星(鑫诺1号星、亚洲2号星、亚太1A星等)转发器的下行工作频段都为(12.25~12.75) GHz,而国际电联分配给我国直播卫星(三个轨位为62°E、80°E、92°E)的下行工作频段为(11.7~12.2) GHz,因此所选用Ku频段高频头的频宽范围一定要与所需接收卫星的下行工作频率范围相适应。
此外,如果使用一体化馈源高频头最好选用双线极化馈源高频头,这样卫星下行的两种极化波可以在卫星接收机上通过极化电控切换来选择所需接收的垂直或水平极化波。
4 现代高频头(LNB)及其发展趋势
由于科学技术的进步,国际市场竞争的加剧,使得高频头的制作越来越精良,性能越来越优异,电路越来越集成
- 接收机高频头微波振荡器的稳频技术(10-09)
- 卫星电视天线及馈源的对焦(08-15)
- 工业光纤在高压变频器中的应用(08-24)
- 基于 RFFC2071的变频器设计(10-06)
- 变频器电路结构分析(06-29)
- R&S新型变频器可使网络分析仪扩展到500 GHz频段(09-28)
