高级电视中的灵巧集成技术
时间:07-24
来源:与非网
点击:

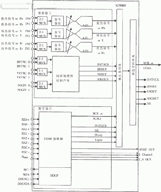
图3 世界上第一种用于高级电视的集成双接口(模拟和HDMI接口)AD9887, 在模拟输入和HDMI输入下可支持高达1080p或SXGA格式的分辨率。
1.4 减少内部连线
一台高级电视的图像质量很大程度上取决于显示接口电路板的设计和布线。提高显示电路集成程度的好处之一就是减少了器件之间的连线,从而提高图像质量。对显示器制造商来说,如何把带有"噪声"的数字电路靠近对噪声敏感的锁相环(PLL)和ADC放置仍然能制造出满意的图像质量的接口电路板已经遇到了极大的挑战。一些显示器制造公司耗费了相当多的资金、时间、PCB和精力试图生产出一种非手工制作的模拟接口,但是没有一家公司获得成功。提高接口电路的集成程度可以简化PCB设计,而且产生的图像质量要优于过去的分立元器件PCB设计。
1.5 图像质量和集成程度的关系
适合PC应用的LCD台式监视器的发展趋势是将模拟接口和数字图像缩放功能集成到一颗单芯片中。这些集成解决方案在用于显示诸如电子邮件、网上冲浪或电子数据表等基本PC应用的较小(15"~17")监视器中通常都能提供足够好的图像质量。但是对于30"~80"多种尺寸规格显示屏的高级电视应用来说,在图像质量方面的要求要高得多。
为了提供满足高级电视客户要求的精美图像质量,消费类电子产品制造商目前正在设计带有独立接口和缩放器芯片的电视机。在许多情况下,业界领先的电视机制造商正在设计自己定制的缩放器芯片以满足系统要求。其它的制造商正在选择使用专门为高级电视开发的市场上可买到的缩放器芯片。这些数字的缩放器芯片有时候还与内置的微控制器和EEPROM集成在一起,以便存储显示器的微码。这些数字芯片可以采用最新的数字电路制造工艺(0.13 μm或0.18 μm CMOS)从而提供更低的成本和更高的性能。
2 关于复杂度的问题
大部分的管芯面积由数字逻辑门组成,所以这种集成方法需要采用0.13μm或0.18μm数字CMOS制造工艺以便降低成本。在某些情况下,使用嵌入式动态随机存储器(DRAM)制造工艺以将帧缓冲存储器集成到与图像控制器在一起的同一芯片中,但是这些芯片不是很适合实现高性能的模拟功能。
为了适合高性能模拟电路并降低成本,需要有一种混合信号CMOS制造工艺。因为混合信号制造工艺没有被普遍采用,而且具有高性能混合信号经验的设计工程师仍然很少,所以其模拟性能很难达到要求。正如人们看到的其初期集成产品的图像质量下降,不如单独的模拟接口和数字接口产品。
虽然HDMI接口通常被认为是一种数字接口,但是其设计需要相当多的混合信号电路。实际上,HDMI接口中每个颜色通道中的高速比较器数量要比模拟接口中使用的ADC中的高速比较器多。HDMI标准规定其输入频率高达1.6Gbps,所以要达到适当的性能要求仍然需要大量资金完成混合信号设计。
采用当今先进的CMOS制造工艺,有助于把混合信号电路(模拟接口和HDMI数字接口)集成到一颗单片"接口"芯片中。混合信号CMOS制造工艺一般来说是继最新的数字CMOS制造工艺之后出现的新一代制造工艺。只要把高速数字电路放置在缩放器芯片上就可以采用最新的先进CMOS制造工艺。这就清楚地说明了"灵巧集成"的概念--双芯片解决方案可以提供高性能,它比集成的单芯片解决方案加快了面世时间并且降低了总成本。
3 产品合格测试
集成接口和缩放器产品都是真正的混合信号器件,它们需要100%的高速混合信号电性能测试以确保高质量性能。现在用于ADC的混合信号测试解决方案几乎与芯片设计本身一样复杂。
数字电路工程师都熟悉数字测试程序的开发,通常利用这种程序把测试向量输入到自动测试图形发生器(ATPG)软件中以生成一个数字测试图形。也可采用联合测试行动小组(JTAG)标准的边界扫描和内部扫描技术以便在数字电路中检测出至少98%的故障率。在测试这些数字电路时经常使用现有的数字逻辑测试议。
但是高性能混合信号电路需要"高速"测试以验证其电性能。测试高速模拟电路需要测试开发工程师提供的测试代码和独特的测试硬件以保证ADC的信号抖动、信噪比(SNR)和线性误差的精密测量。高性能混合信号测试平台具有测试同一集成器件中的高性能模拟电路的能力和高速、多引脚数字电路的能力。没有经过高性能混合信号测试平台严格测试的集成接口产品可能在性能上存在服从wafer制造工艺正态分布的大的偏差。
不合格的器件会给受生产时间及其资源限制的高级电视制造商带来严重的问题。例如,考虑一种不同批量之间的关键参数存在一致性偏差(不合格率只有10%)的接口产品。如果该接口产品的供应商不能筛选出所有这些不合格产品,那么使用这种产品的电视机制造商就必须对其显示器进行100%的测试,因此增加了其最终产品的成本。谨慎的设计工程师现在都在进一步发现如何测试集成接口产品的问题以确保只获得最高质量的产品。
- 工作时勿移动 投影灯泡炸裂原因(01-30)
- 小巧便携 LED技术揭开投影机发展新局面(10-24)
- 疑似山寨产品 魔影MOV192微型投影机(11-23)
- 更小更贴心 袖珍投影机引领新风尚(01-20)
- 坚决不让JS诡计得逞 再谈家用投影机防奸计(02-16)
- 不可不知 投影机安装及调整小细节揭秘(03-06)
