+硬件解析
时间:10-02
整理:3721RD
点击:
U盘资料中有原理图,我这里简单说说。
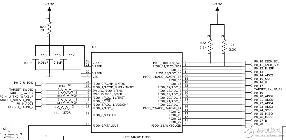
1,处理器LPC824M201FHI33

2,处理器复位电路和仿真器接口

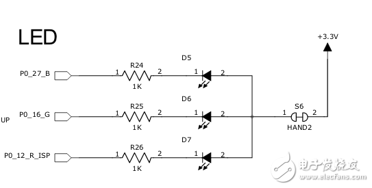
3,3个LED灯控制电路,低电平驱动LED灯亮。

4,环境颜色传感器(VEML6040 )电路,使用I2C与MCU通讯。

5,LCM显示电路

