求助:Altium 原理图设计中遇到困难
时间:10-02
整理:3721RD
点击:
如何将一个芯片分割成多个模块然后在连线图中使用?
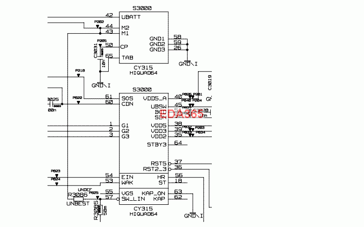
如图中所示,上面是芯片CY315,下面也是芯片CY315,但是为了连线的方便,作者把这个芯片割开了在图中画,求教这种画法。
可能问题叙述得不是很准确,求教大牛们面谈。
如图中所示,上面是芯片CY315,下面也是芯片CY315,但是为了连线的方便,作者把这个芯片割开了在图中画,求教这种画法。
可能问题叙述得不是很准确,求教大牛们面谈。
貌似是用元器件的包含多个相同模块的设置方法,我也不是很懂,求高手解答,谢谢!
創建一個新的Symbol
先繪製其中一個圖形(上或下選擇一個)
Tool\New Part添加一個子零件後,繪製另外一個圖形
你可以發現在SCH Library Panel內的此元件已經是樹狀結構,展開後就可以看到此元件是由兩個圖型組合
Sch內擺放此元件後,可以利用此元件Properties對話框內,Comment下方的左右箭頭來做切換
谢谢,这个问题困扰了我好久
这就是多部件元器件的特点
