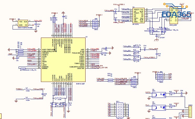
AD DM9161APE PCB设计问题
时间:10-02
整理:3721RD
点击:
最近用LPC1768与DM9161APE做了快板子,测试中发现有些板子会在通讯一段时间后,网络无法连接,查了很久,始终不知道哪里出了问题,不知道DM9161的PCB这样布局布线有何问题?



电源布局不好,或电源不好
能否具体一点呢?
