1.开箱硬件赏析
今天刚到手的麒麟座开发板~
来自深圳华强聚丰的优速快递~

拆开快递包装里面还有一层泡泡膜保护着~

拆开泡泡膜就是正脸拉~

掀开盒子就是我们的主角~

下面一格有各种各样的配件~

5V 2A的AC/DC直流电源适用于大多数工业场合~

附带ST-LINK V2,对于下载调试来说比ISP快得多~

LCD1602屏幕,我从来都没用过……

四个铜柱的支撑可以保证板子在使用的时候不被短路。

两排排针用于IO全部引出和LCD屏幕的焊接,完全足够了。

欣赏一下带上铜柱的麒麟座~

电源部分~
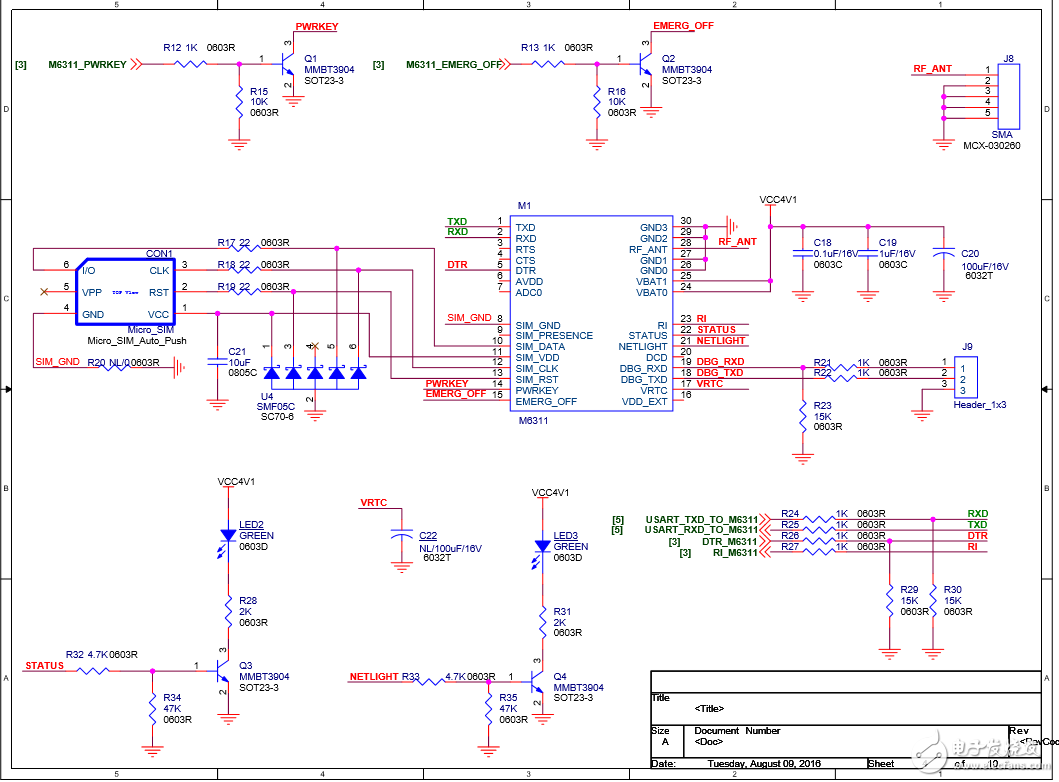
我们可以结合着原理图来看~

黑色的头是5V输入,对应POWER IN。
蓝色的开关对应POWER KEY。
黑色的U2 MIC 9302芯片及外围电路是4V输出的电源模块。
黑色的U1 ASM1117-3.3 芯片及外围电路是一个低差线性稳压模块(LDO)。
还有四个铜柱H1,直接接地。
旁边的GSM模块是中国移动的M6311模块。

如图所示,上面两个三极管Q1和Q2构成了一个电流放大的驱动电路,因为主控的驱动能力有限,所以这里添加驱动电路,绿色IO信号低的时候,三极管截止,红色信号为高阻态,绿色信号为高的时候,三极管导通,红色信号接地。
右上角的SMA其实就是天线座,4个接地的焊点,中间的天线接RF_ANT。
SMF05C是一个集成了五个二极管的芯片,这里应该是用来保证SIM外围电路的电平恒大于VCC,如果某些异常使SIM卡输出的信号为负逻辑电平,那么U4就可以使电平为0。
下面的STATUS和NETLIGHT分别驱动两个指示灯。
右下角的串电阻和下拉电阻则是电源保护电路和信号稳定作用。
最右边还有一个DEBUG串口,输出M6311的调试信息。

天线欣赏~
图中的J9是调试串口的IO,旁边是SIM卡的插槽。
还有三极管驱动的LED2和LED3。

WIFI和GSM都是用串口连接,这里是通过跳线帽的选择来进行切换,用户可以选择使用自己的联网模式。

跳线帽和ESP8266~

右边的U5是一块AT24C02存储芯片~

再右边的U9是数字温湿度传感器~

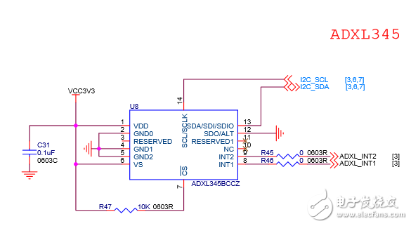
右上的U8则是倾角检测传感器~

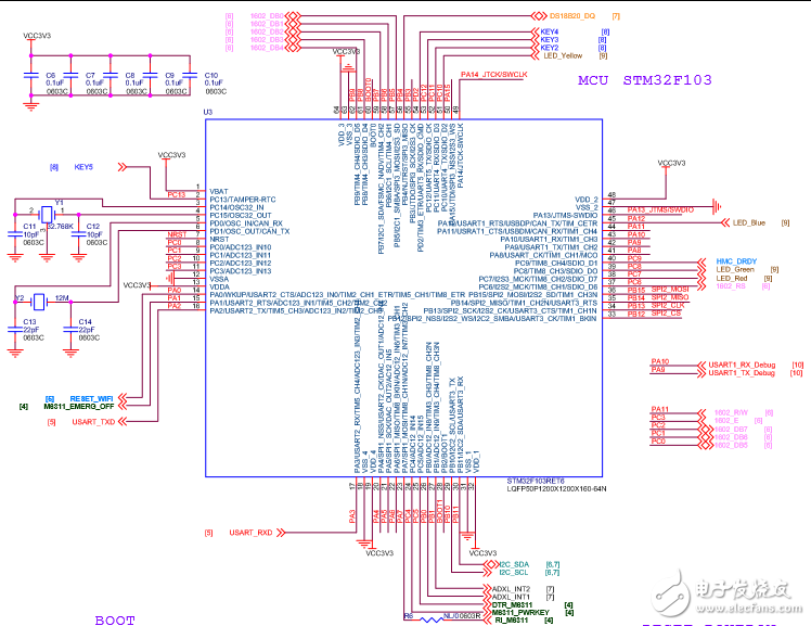
主控芯片则是一块stm32F10RET6,整整齐齐的放在中间。

旁边有一个12MHz的晶振Y2,还有一个用于RTC时钟的贴片晶振Y1。

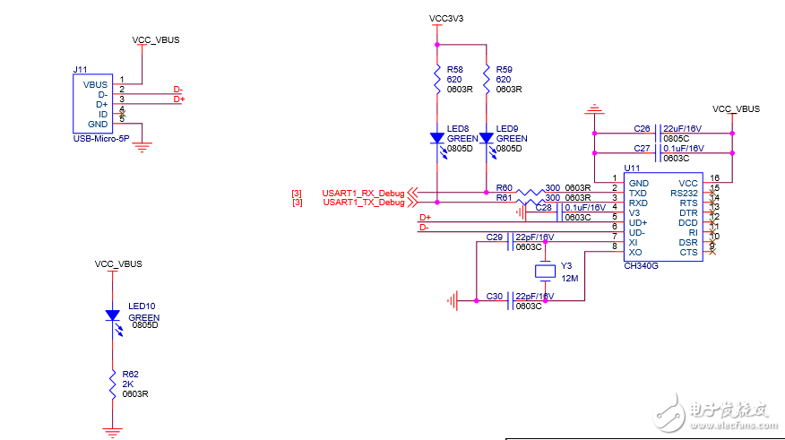
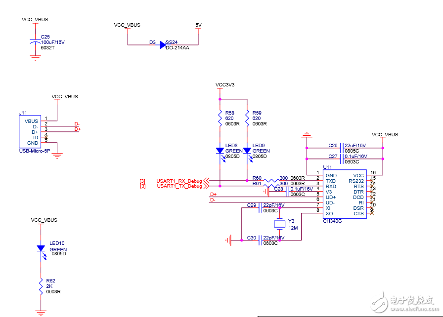
芯片上方是一块CH340G的USB TO TTL芯片,可用于下载和串口通信。

再右边有一个IIC的接口和一个LCD1602的接口。

旁边的四个灯看来是有不同的颜色的。

USB电路这里有一个SS24二极管,保护我们PC机的USB电源不被外部电源冲击。

同时旁边还有黄色的SWD下载接口~

后面还有微信公众号的二维码~

来一张上电后的效果~

多钱入手的,附带教程么?
坛友你好 这块板子是在我们网站开发板试用平台免费申请的哦,如果坛友感兴趣的话可以关注我们开发板试用平台:http://bbs.elecfans.com/try.html 每周二会有板子更新哦!
不是4月4号才公布名单,为什么已经好多人用上了啊
申请期间会分批次发放哦
看着很好,坐等板子
