微波EDA网,见证研发工程师的成长!
首页 > 研发问答 > 嵌入式设计讨论 > MCU和单片机设计讨论 > Mbus主站接受电路的问题

Mbus主站接受电路的问题

时间:10-02 整理:3721RD 点击:

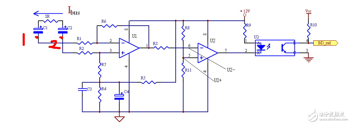
这个电路的主要作用就是检测SR两端的电压波动,通过U1差动输入和U2的比较作用,从而实现光耦的通断
我想问的是电容C1和C2起的作用是什么?
哪位大神给指点一下吧
跪谢

                                                 

这两个电容的作用是隔直流,取总线上的电流变化部分。

小编可以分享一下MBUS主站电路吗?谢谢!

不错的资料,值得收藏

Copyright © 2017-2020 微波EDA网 版权所有

网站地图

Top