1. 板子能干啥
时间:10-02
整理:3721RD
点击:
收到板子很开心-----------------------------------------分割线---------------------------------------
1. 拿到板子,先看资料,是每一个嵌入式工程师的修养。http://www.st.com/en/evaluation-tools/nucleo-f412zg.html
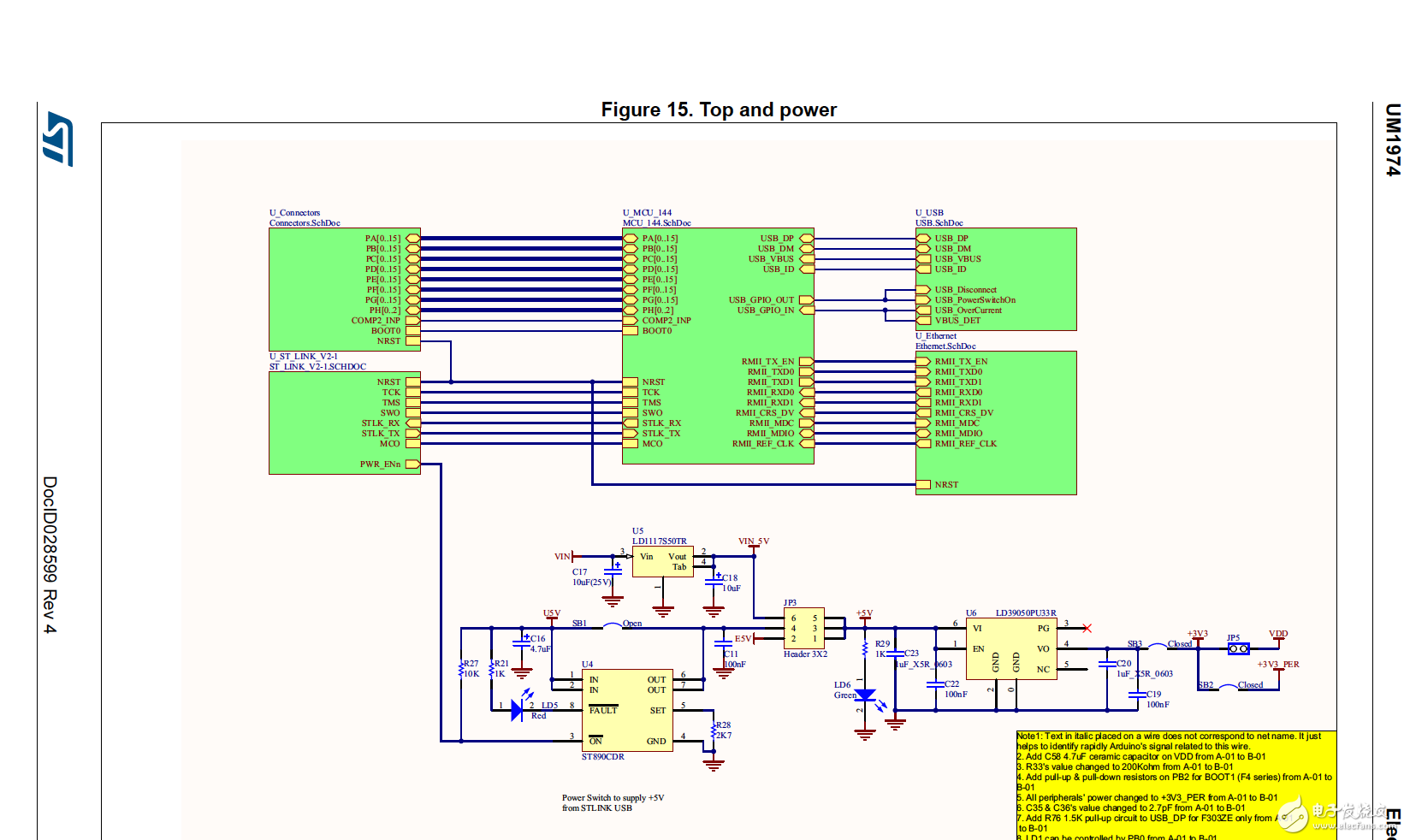
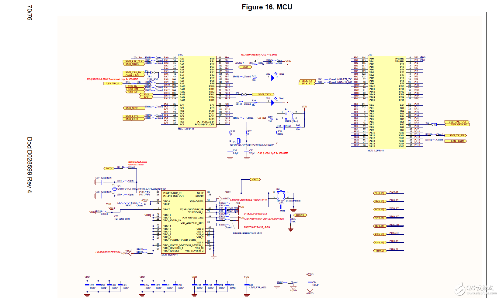
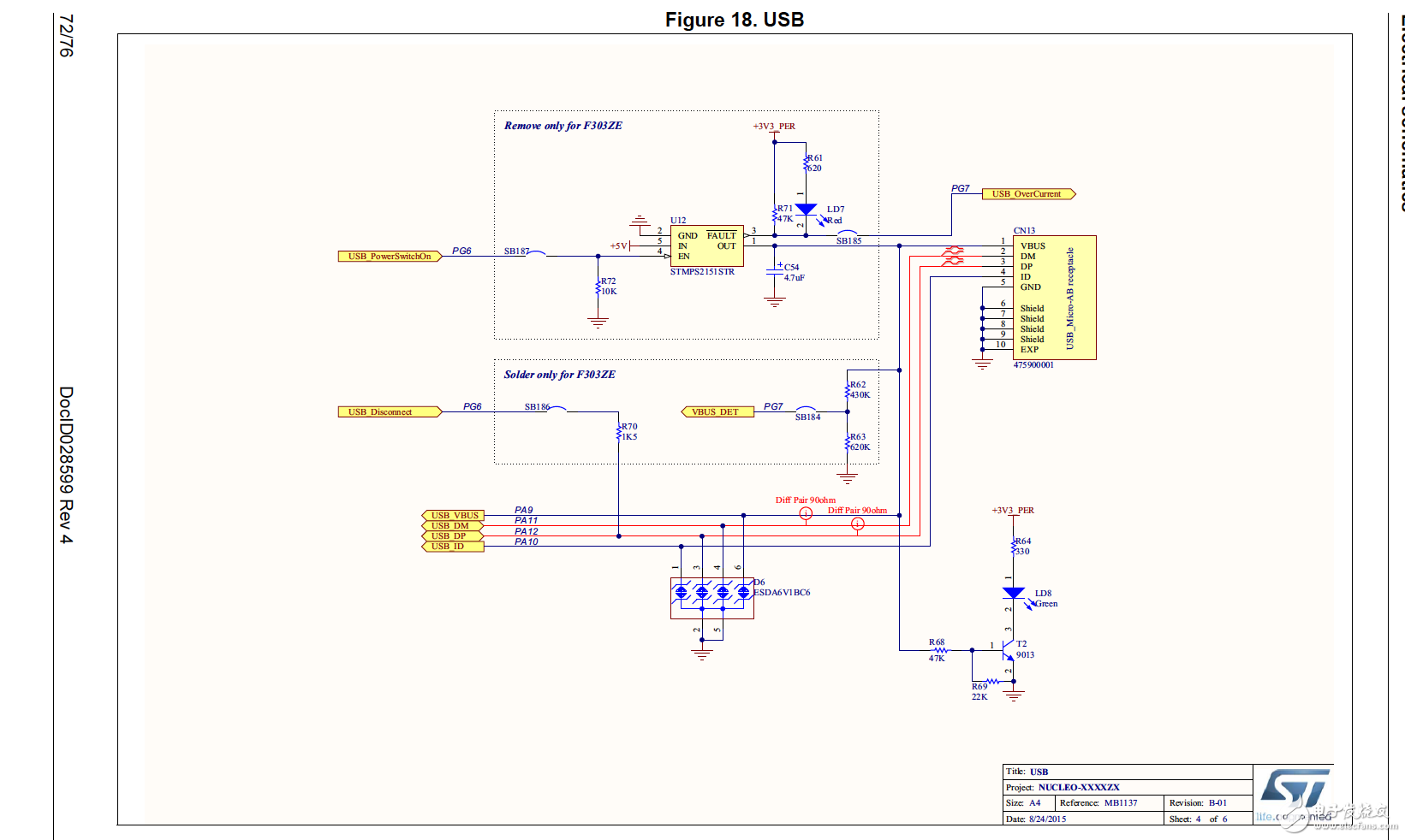
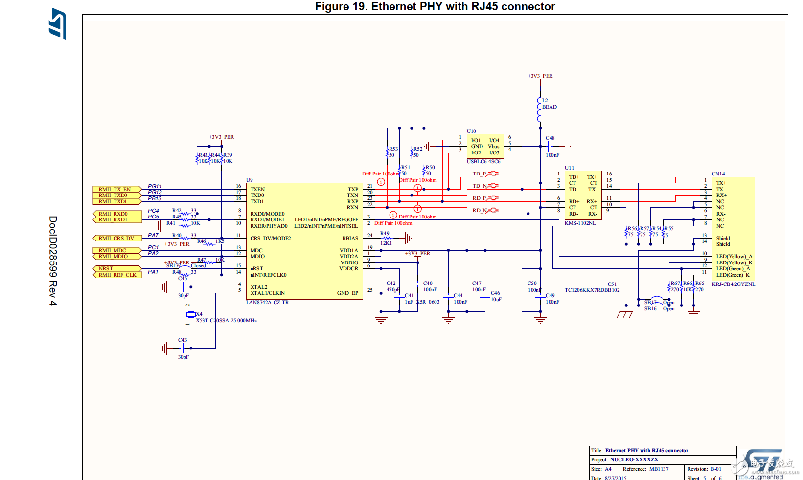
这个网站中有NUCLEO-F412ZG的所有资料,建议新手老手不要上来直接上电跑程序,通读一遍开发版手册会少走很多弯路。UM1727入门教程帮助零起点同学认识开发环境,UM1974介绍了板子的硬件资源,一定要通读,后面编程时是重要的参考手册。大拿同学,至少也要看看原理图。






明天继续
1. 拿到板子,先看资料,是每一个嵌入式工程师的修养。http://www.st.com/en/evaluation-tools/nucleo-f412zg.html
这个网站中有NUCLEO-F412ZG的所有资料,建议新手老手不要上来直接上电跑程序,通读一遍开发版手册会少走很多弯路。UM1727入门教程帮助零起点同学认识开发环境,UM1974介绍了板子的硬件资源,一定要通读,后面编程时是重要的参考手册。大拿同学,至少也要看看原理图。






明天继续
主要看看你想干啥
期待当中 不过线路图分享的挺正点
谢谢小编了
