求教7805两端两个0.33uf的小电容是怎么起到消除自激作用的?
时间:10-02
整理:3721RD
点击:
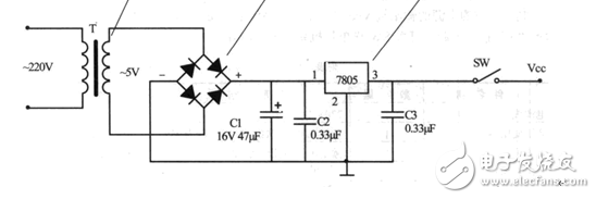
想做个单片机的稳压电源 电路如图 求教小电容的作用 详细些 谢谢0.33uF,0.1uF的电容是旁路电容,作用是抑制电路中可能产生的自激振荡,尽量放在管脚根部,其中引脚1的电容大于引脚3的电容,是为了防止1处的电容漏电时,放电速度大于3处(输出端)的速度,导致稳压器倒置而损坏,二极管是为了当有强电磁干扰使“地线电平”高于输出电平,使稳压器内部晶体管反向偏置而损坏设立的,这样经可以使压差在0.7V左右而不至于损坏。
应在7805两脚并联二极管,可避免稳压器电压倒置引起的损坏
不好意思 没明白 能不能再说详细一些 小电容为什么可以消除自激?
小电容为什么能抑制自激震荡呢? 麻烦大哥说明白点 通俗点 谢谢
谢谢 我问的是小电容为什么能抑制自激震荡
问为什么能抑制自激振荡,要先说一下自激振荡产生条件:
先看一下自激振荡的条件:
1、幅度平衡条件|AF|=1
2、相位平衡条件φA φF=(2n 1)π(n=0,1,2,3···)
要抑制自激振荡,破坏这两个条件之一即可。
将一片小电容一端接地,另一端接7805的输入或输出管脚,此处应该是作了频率补偿而破坏了幅相平衡条件,最终抑制了自激振荡
以上纯属我自己的理解,不能接受勿喷
谢谢 我觉得应该是这样
谢谢 大概了解了
还有个问题 请教下 这个电路中C1的容量怎么计算 不胜感激······
听着挺深奥的 学习学习 路过看看
听着挺深奥的 学习学习 路过看看
听着挺深奥的 学习学习 路过看看!
学习学习
