新人头一贴,困扰我半个月的高电压检测问题

分压原理啊,不可能,后面肯定还有继续分压,还有我觉得单片机IO口耐不了那么大电压,IO口电压一般小于IC供电电压
我也感觉不可能,但是事实上这就是这么做的,还是产品,会不会芯片有对电压处理?
你把完整电路和datasheet上传一下。这颗供电电压是5V,你要实际测量两颗电阻阻值是多少、VCC电压是否真的在48—96V DC,实际全部测量。你截图太断章取义,请参考这个http://wk.baidu.com/view/1e50d0a0700abb68a982fbaa?pcf=2#6
尽信书不如无书,尽信人家会不如人家,凡事多点怀疑,自己判断,看到的都不一定是真的。
100K电阻将电流限制为很小,stm8s内部有钳位二极管,可以输入高电压,不知道这样理解对不对
你把PD4断开 在测试就知道对不对了
把单片机吹下来,电压很高,达到几十V,把单片机加上,就变为固定的6V左右的电平了
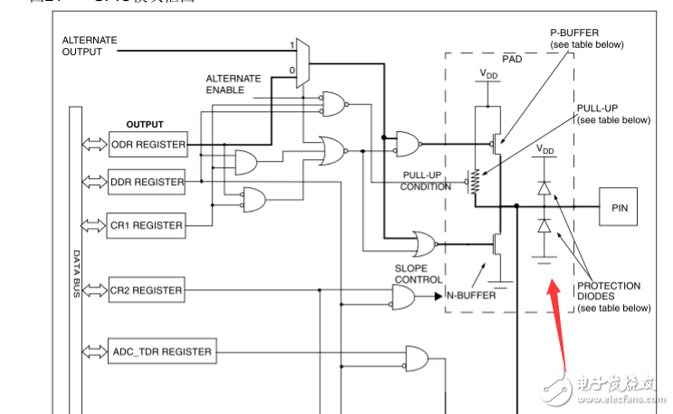
这是STM8S的IO口构造

四十几伏的设计有问题,知道为什么吗?有这个图就一目了然了。那个是限幅电路,利用二极管单向导通性,起保护作用。VDD就是5—6V左右,所以你测到的是6V,如果你去改电阻分压值,比如PD4改为3V,那你测到的就是3V。所以下次最好上datasheet,不然有些datasheet不好找。
你说的基本上是对的
一般芯片端口都有钳位保护电路设计,防止电压过高损坏端口,就是在端口上,用一个二极管,连至电源端,若电源端使用5V的话,二极管钳位以后,端口电压最高就是5.7伏左右, 就是你看到的大约6V。你所展示的这个电路,是把端口做为外部高压的检测端口,有高压为1, 无高压为0,没什么大惊小怪的。
之前不知道有钳位二极管,我把实验现象告诉别人,别人推测可能内部有钳位二极管,所以后来才去查看的datasheet
之前不注意这个钳位二极管,昨天别人提醒看看是不是有钳位二极管
就是钳位二极管得作用使得单片机保护住了自己的I/0口,你在设计自己的电路的时候,要把最大的电压分压后也不能超过I/O可以测量的范围啊,不然你怎么测试电压
IO口可以测量的范围是什么意思?
就是你的AD采集电压范围啊,一般3.3V的单片机会把3.3V作为AD采集的标准电压,也就是电压采集范围是0-3.3V。单片机为了保护这个AD采集口,会加钳位二极管,这样你的输入电压在突变大的时候最大也就是3.3V+二极管导通电压(这是非正常采集状态)。 所以你在做外围AD采集高电压的电路的时候就要确保分压后的电压大小不要超过AD采集口所能测量的最大电压值了,后续的你应该都知道了~
