
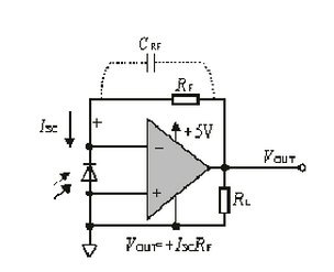
在光电二极管探测电路中,常用上述的电路,将电流转换为电压,通过学习,发现其噪声来源还真不少:1、反馈电阻的热噪声,电阻热噪声的带宽极限为放大器的信号带宽与砖墙滤波器的矫正系数;2、电源噪声,这个就不说了,所以退耦电容就体现作用了;3、光电二极管电流噪声,具体问热噪声,暗电流散粒电流噪声和镜像电流散粒电流噪声的均方根;该电路总的噪声为以上三大种噪声平方和的平方根。运放的输入端电容越大,越不利于系统稳定,由于光电二极管的等效电路有很大的等效电容,因此,系统的不稳定性就存在。为消除该隐患,需要引入一极点,是噪声的怎一曲线在于AOL曲线相交之前变得平稳。也就是运入crf=√cin/(2πrf) r为反馈电阻,f为运放单位增益带宽
好好学习,天天向上噶,呵呵呵
谢谢捧场