微波EDA网,见证研发工程师的成长!
搜 索
首页
微波射频
射频和无线通信
天线设计
硬件设计
PCB和SI
通信和网络
测试测量
应用设计
研发杂谈
研发问答
首页
>
研发问答
>
微波和射频技术
>
RFIC设计学习交流
> 有源积分
有源积分
时间:10-02
整理:3721RD
点击:
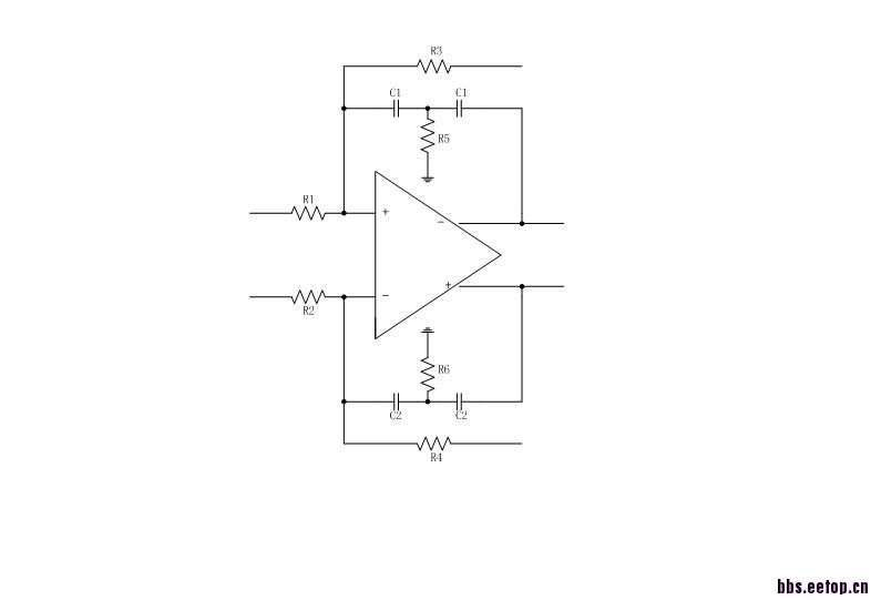
求教这个有源积分的截止频率怎么计算?积分增益怎么计算?
希望大侠指教指教
上一篇:
class D 音频功放的 EMI
下一篇:
求助:高频buffer设计
有源
积分
相关文章:
如何设计有源balun电路?
有源滤波器中的运放
这个有源电路的等效噪声怎么计算
弱问有源滤波器
请教大侠:锁相环路中有源滤波器设计问题
有源低通LPF设计测试出现的问题
栏目分类
移动通信
微波和射频技术
无线和射频
PCB设计问答
硬件电路设计
嵌入式设计讨论
手机设计讨论
信号完整性分析
测试测量
微电子和IC设计
热门文章
大家在cadence中怎么测试电路
PMOS管的小信号模型与NMOS的相
constant gm偏置电路有什么好
Cadence IC 615用MMSIM12.1
hspice 中瞬态仿真(tran)使
用HSPICE仿真LSTB问题
hspice 2013 错误invalid
hspice 波形仿真显示no dat
Copyright © 2017-2020
微波EDA网
版权所有
网站地图
Top