新手求助:用LM555做简易电子琴
时间:10-02
整理:3721RD
点击:
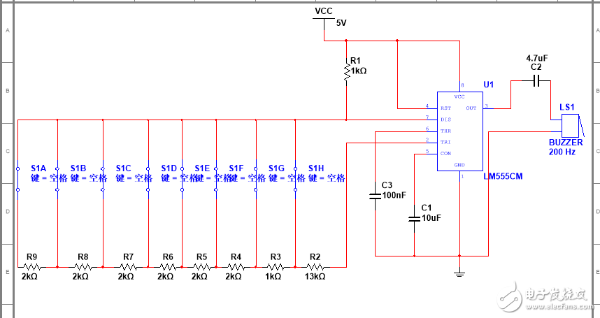
本人新手,最近在用LM555做这个简易电子琴,现在把大概的都连接出来了 但是在仿真的时候无论怎么按 都没有声音 不知道是怎么回事 求助大神帮忙看看。没有大神在嘛?
我按你的徒画了一下,仿真的时候有声音,仿真一段时间后停止仿真,再双击扬声器,点击Play Sound就能听到很短促的声音了,上面的Playback Duration是缓冲时间,一般设置小一点,越大需要的仿真时间越长,下面的Sample Rate是取样频率,越大的话仿真时间越长,我觉得应该是频率越大的话计算量越大,所以电脑需要的计算时间越长,导致仿真时间越长,仿真和实际硬件还是不同的,这里我将Playback Duration设为1,实际仿真的时候我用秒表得了一下大概要花一分半的时间,最后点play sound听到的就是1秒的声音,感觉用Multisim来仿真这个效果不是太好。不知道说的对不对,其实我也是一个新手,说错了就当是交流一下吧,你再看看。哦,Multisim自带的例子中有一个关于扬声器的,你可以看一下,C:\Users\Public\Documents\National Instruments\Circuit Design Suite 12.0\samples\LabVIEW Instruments\Microphone and Speaker
怎么我这里听不到是声音的 后来我又重新做了一个 还是听不到声音啊 呜呜。
你点击Play Sound了吗
下面的那张蜂鸣器的图,你将蜂鸣器的电压设为3V试一下
