0.56的数码管怎么驱动,我驱动起来怎么很暗
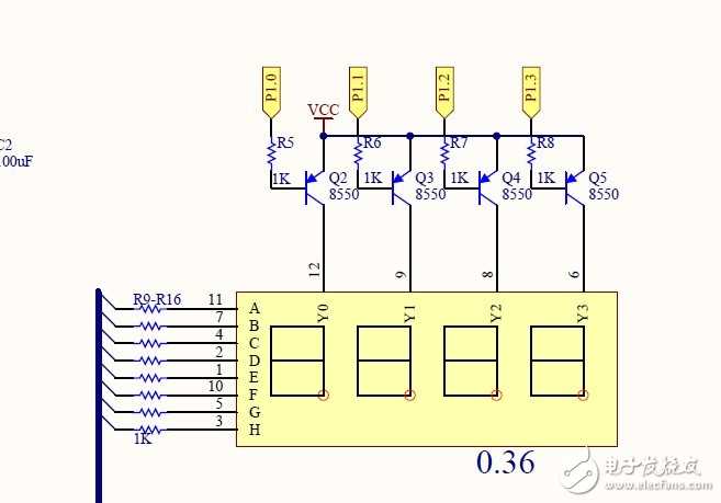
原理图如下

我把那个限流电阻去掉,也只有变亮一点点
是不是没上拉啊
我直接接在P0 口上,是可以变亮一点点,但达不到要求
P0口有一个10K的上拉电阻。
P0直接接到A -H, R9-R16接VCC应该可以了啊
可能是你的程序里对数码管的显示时间太短,适当延长试试看。还有,不知你的工作电压是多少,适当提高工作电压也可以有改善。
提高工作电压单片机不会烧掉吗
是共阳还是共阴,共阳的把三极管集极接+5V看看。
可以加一级三极管来隔离、推动,这样提高数码管的工作电压对单片机就没有影响了。
我只想说,NPN三极管不应该这样驱动LED。我不知道你是哪里看到的电路图。正确接法应该是:集电极接LED引脚,发射极接地。这样才能保证三极管可靠地工作在饱和区。如果是PNP管也是一个道理,发射极接VCC,集电极输出。51单片机驱动外设一般用PNP好一点,因为单片机上电后即输出高电平,用NPN管会马上导通,使外设工作,引发误动作。
我在网上看到的这种接法,用pnp,就是基极接的单片机
都是共阴的就是那种0.56的4位LED数码管
我的意思是,你把三极管的发射极和集电极接反了。建议小编多看一下三极管的资料。
把你的P0口,改为P2口来驱动试试
npn三极管集电极接地?我想问那能通吗?
谢谢分享,这段时间我还在找这方面资料。
小编,三极管的发射极和集电极接反了,应该是发射极接地才对,还有就是断码的限流电阻太大,选择220-470欧之间的基本合适了,最后一个问题是数码管是分高亮和普通亮度两种的,普通亮度的数码管不管你加不加限流电阻亮度都比较暗,比如你用一颗3V纽扣电池直接接上数码管就知道了
已经修正了,还是没办法,网上说要用一个74LS245,不知道可以吗,下次买来试一下,还想请问下at2402怎么存1234,我只能存到255,拆分到两个地址也没用,读不出来
- write_add(13+1,1);
- write_add(13+2,2);
- write_add(13+3,3);
- write_add(13+4,4);
- delay(100);// ;
- temp=read_add(13+1)*1000+read_add(13+2)*100 +read_add(13+3)*10+read_add(13+4);

恩,但是现在亮度比我用万用表测得还暗
