关于蓝牙广播的问题
时间:10-02
整理:3721RD
点击:
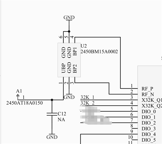
大家好,自己设计的电路板,CC2650作为主芯片,使用的蓝牙协议栈下面的SimplePeripheral工程,下载在TI的LaunchPad正常广播,收发数据,但是下载到自己做的板子,广播一秒左右就停止广播,有时APP还不能扫描到广播,CC2650可以正常控制LED,供电应该是正常的,下图是天线部分的设计,U2是RF变压器,忘指点一下,谢谢大家!

使用哪个封装尺寸?关闭powersaving低功耗模式,注意晶振质量。
测试了几块板子?
