微波EDA网,见证研发工程师的成长!
搜 索
首页
微波射频
射频和无线通信
天线设计
硬件设计
PCB和SI
通信和网络
测试测量
应用设计
研发杂谈
研发问答
首页
>
研发问答
>
嵌入式设计讨论
>
MCU和单片机设计讨论
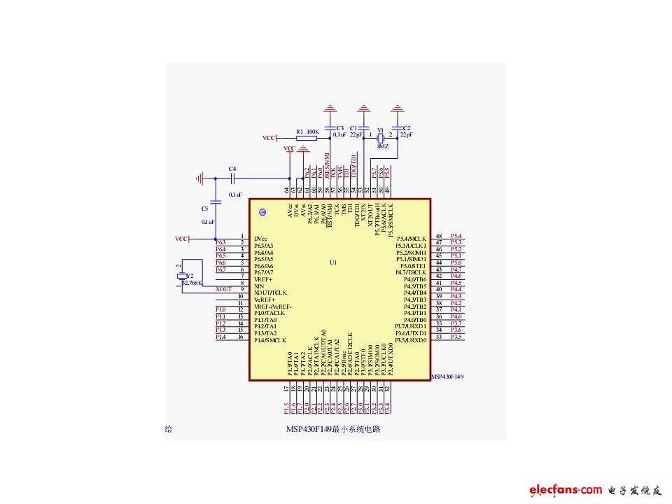
> 请同仁们具体分析一下MSP 430最小系统中每一个电容的作用
请同仁们具体分析一下MSP 430最小系统中每一个电容的作用
时间:10-02
整理:3721RD
点击:
谢谢。
MSP430最小系统
大些的图。
退偶,复位,振荡
和51的一样。
滤波吧
上一篇:
请教, 看图识别信号
下一篇:
新手求助,stm32哪个入门教材更好~
栏目分类
移动通信
微波和射频技术
无线和射频
PCB设计问答
硬件电路设计
嵌入式设计讨论
手机设计讨论
信号完整性分析
测试测量
微电子和IC设计
热门文章
請問CH376的寫入控制?
第36章 FIR滤波器的Matl
PIC XC8 V1.41 PRO版,编译
我只有一个程序的hex和bin文件
第066例:以太网-基于W5500的
STC89C52 外部中断下降沿上升
第27章 抗锯齿实例讲解
实用电子元器件与电路基础 第
Copyright © 2017-2020
微波EDA网
版权所有
网站地图
Top