TAS5630B DKD上电不工作问题
时间:10-02
整理:3721RD
点击:
大家好!
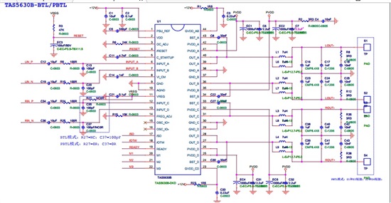
最近在弄TAS5630B-DKD板,上电测试遇到一个奇怪的问题,如下:
上电时,READY、/SD、/OTW三个指示灯都不亮,然后我用万用表测试:READY为低电平(测2N3094基极为低电平)、/SD和/OTW为高电平(测2N3904的基极有0.64V);然后我再测TAS5630B的READY、/SD和/OTW脚,READY脚低电平,/OTW为0.65V,当测试/SD脚时,READY指示灯就点亮了,再回过来测READY,有0.65V了,神奇了,此时功放已经正常工作了。
后面每次上电都是不工作的,然后用万用表点一下/SD脚就开始工作了,而且不管万用表开不开机都一样可以工作。
尝试过将/SD脚接上拉到Vreg/12V和下拉到地,都没有效果。
麻烦各位帮忙分析一下原因,谢谢!


问题解决:断开/SD脚的100R电阻或者更改大一点的电阻,我现在改为10K(1K试过,不行),上电就能正常工作。
但是我还是不明白,为什么小电阻不行?/SD脚不是漏极输出吗?与外接的电阻有何关系?而且TI的EVM板就是100R,按理应该没问题。
另外还有一个问题:
当播放歌曲时,暂停播放,过大概1s左右,功放出现一声很小的“POP”声,类似于功放进入待机模式那种感觉(检测到没有音频输入后,就进入待机模式),用苹果手机没有这种现象,我的安卓手机就有;
我想问的是:TAS5630B内部是不是有音频输入检测电路?这个POP声怎么引起的,如何解决?谢谢!
