求助TPS61169驱动LED相关问题
1、使用TPS61169驱动1个LED,输入电压3.8V,要求输出电流25MA至500MA可调,目前电流在200至600MA区间内可调,电流降不下来,求解问题出在哪里!LED额定3V/350MA;
2、使用TPS61169驱动4个串联LED,输入电压3.8V,要求输出电流25MA至500MA可调;目前电流在20MA至180MA区间内可调,电压在13V-14V,芯片发热厉害,求解问题出在哪里!LED额定3V/350MA;
两个方案中二极管均选用1N5819,Rset电阻选用0.33R,PWM频率在10K和100K之间均测试过
以上要求若TPS61169不能满足要求,求推荐可满足要求IC
Hi
TPS61169是升压芯片,如果输入时3.8V,输出必须大于4.5V(加上肖特基Vf), 而采用单灯,输出不足4V, 不能满足升压。
4个灯,输出12.9V左右,,3.8V时最大输出电流是3.8V*1.2/1.2*0.85/12.9=250mA, 建议最大输出电流为250mA, 达不到500mA的要求。
这颗芯片封装较小,没有PowerPAD,热阻较大,如果输出电流较大时,芯片是会发烫的。
芯片满足不了要求,求推荐一颗可以满足要求的IC
Hi
对于3.8V输出带一个灯可以选择TPS62150:

升压可以选择LM3410:

好的,我查下资料看看电流调节满足要求不,谢谢
62160不能满足要求啊!主控这边只能输出PWM去调节电压

对于这个方案要求输入3.8V 需要使用PWM控制输出电流 ,电流区间25mA至 500mA 接一个LED LED额定 3V/350MA,板子体积有限加不了多少东西
Hi
写错了,是TPS62150, 主要是你输入电压是3.8V, 输出电压3.2V, duty还是很高的,需要尽量选择一个duty尽量大的芯片。
你可以采用模拟调光,电路上主要是芯片和电感占位置,我再找一下看有没有更加简单的电路?
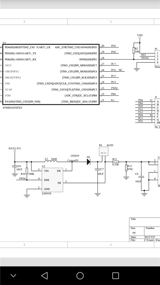
使用推荐芯片,目前情况串联接4个LED时电压可以通过PWM调节到13V,但是输出电流最大只有22MA,此时FB点电压7.6mV,最大输出时占空比为98%,PWM频率100K,电路设计如下,请问电流出不来什么原因!

经过测试 PWM 频率在500HZ 时 SW波形如下 更换电感 3.3UH 后,PWM占空比75% 时电流只有 18MA,电流上不去什么原因

