DRV8701输出不正常问题
时间:10-02
整理:3721RD
点击:
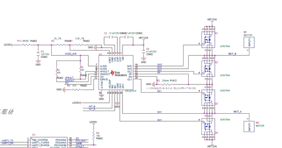
我们在调试DRV8701P的时候遇到如下问题:
目前是不能正常打开MOS管,各个管脚状态是:VCP脚22V,VREF设定为3V正常,AVDD输出4.8V,DVDD输出3.3V,nFAULT输出低(一直未找到原因),SNSOUT输出高,
IDRIVE脚按照手册Table 6各种都设置过,控制脚nsleep IN1 IN2 分别 是 高-低-高。
按照手册能够使nFAULT输出低的原因有如下 Table 7,但是第一、二、三、五项初步排除,请大神帮忙看看,能否解决。



请用示波器观察MOSFET VGS,看一下电压是否有起来过,实际波形是什么样子。
