微波EDA网,见证研发工程师的成长!
搜 索
首页
微波射频
射频和无线通信
天线设计
硬件设计
PCB和SI
通信和网络
测试测量
应用设计
研发杂谈
研发问答
首页
>
研发问答
>
嵌入式设计讨论
>
MCU和单片机设计讨论
> MCS-51单片机硬件系统的扩展
MCS-51单片机硬件系统的扩展
时间:10-02
整理:3721RD
点击:
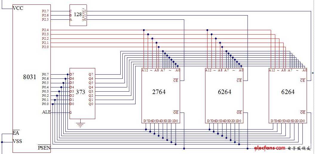
MCS-51单片机硬件系统的扩展
图已经做好了 其他的该怎么做呢?
上一篇:
C51编程求助
下一篇:
如何自制ATmega128下载器
栏目分类
移动通信
微波和射频技术
无线和射频
PCB设计问答
硬件电路设计
嵌入式设计讨论
手机设计讨论
信号完整性分析
测试测量
微电子和IC设计
热门文章
請問CH376的寫入控制?
第36章 FIR滤波器的Matl
PIC XC8 V1.41 PRO版,编译
我只有一个程序的hex和bin文件
第066例:以太网-基于W5500的
STC89C52 外部中断下降沿上升
第27章 抗锯齿实例讲解
实用电子元器件与电路基础 第
Copyright © 2017-2020
微波EDA网
版权所有
网站地图
Top