ads1274上电问题
时间:10-02
整理:3721RD
点击:
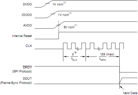
ads1274的上电顺序,
1、ADS1274的端口只供电,其他接口不接。我用tps70451,通过使能端,先给ads1274的DVDD供1.8v,然后IOVDD供3.3v,最后用tps7a3700,通过使能端,给ads1274的AVDD供5v电压。测量ads1274的VCOM端无电压输出;为啥?
2、ADS1274的端口只供电,其他接口不接。我用tps70451,通过使能端,先给ads1274的DVDD供1.8v,但是IOVDD不提供3.3v,然后用tps7a3700,通过使能端,给ads1274的AVDD供5v电压。然后测量ads1274的VCOM端有电压输出1/2;
楼主很细心
手册倒是给出了要求的上电时序, 但并没有明确将其他问题, 你的测试可以给大家应用做下参考了

