ADS1174 芯片电流很大发烫的问题?
请教,使用的ADS1174 芯片,在供电受到外部冲击(例如:同一220V电源插座两路输出,一路接直流稳压源给ADS1174 板供电,一路给示波器供电,当插拔示波器插头时会出现此现象)或者人工触及到PCB板的GND时也会出现此现象,主要表现为电流很大,约1A左右,并且ADS1174芯片很烫。此时测量ADS1174 AVDD 5V供电会降到2V左右,DVDD 从1.8V会上升到2v~2.4v左右(每次电压不太固定)IOVDD 3.3V 供电正常。将AVDD 5V 做一次断电再供电后,此现象能够消除(断AVDD 5V时,DVDD 1.8V, IOVDD 3.3V保持供电),并且现象消除后ADS1174 能够正常工作未有损坏。
亲;这是端口过载引起拴锁所致。建议在端口串一电阻试试。
谢谢,XP同学的回复!我的电路中AD采样信号先经过OPA THS4531芯片转换成差分信号后再接到ADS1174的AINP,AINN引脚,THS4531芯片电路有TI推荐的50OHM端接电阻和1K的反馈电阻。
亲;50ohm有点小唉,很容易穿过100mA以上电流。建议放大些。
关于50ohm推荐值,我不知道是TI的FAE推荐的还是如何。这完全有驳TI原意。这个50ohm是匹配电缆阻抗值。如果电缆是75ohm等其它值;这个电阻并在输入口,该值需要跟随改变。运放输入与反馈电阻与此无关。
如果工作频率比较低;这个匹配电阻并非必须的。
亲;参见THS4531数据表图73、80、86、89。
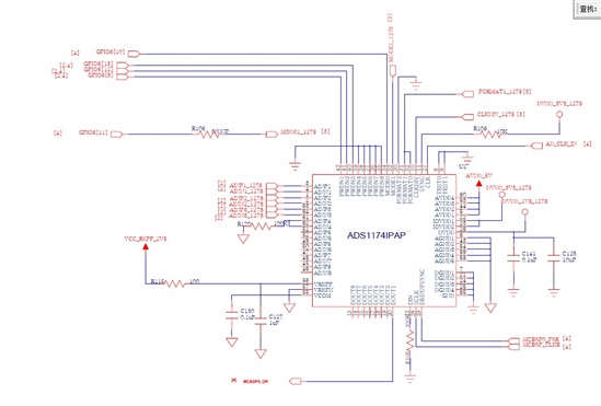
非常感谢XP同学一直关注困扰了我好久的问题,我ADS1174是用来采样电力线上50HZ的交流电流值。ADS1174的输入时钟为3.7628M, 数据采样频率为12.8K。不知道是否为较低的工作频率?我把相关的电路图贴出来,帮我看看我这部分是否端接有问题,谢谢!


XP你好,我认为附图上的R2,R7两个1K的电阻应该就是你所说的匹配电阻,不知是否正确?
亲,这两个不是匹配电阻,是退耦电阻。
亲,这确实是非常低的频率。12M以上时钟才有部分高频特征,30M以上需要准确的阻抗匹配。
