谁能手把手叫一下全差分放大器的电阻配置
看了几遍关于全差分放大器的电阻配置,感觉好晕啊,哪位好心人能把详细过程写一下呢,我用的是LMH6552,现在增益要20dB,然后是单端输入,信号源阻抗为50欧姆。
看了一下手册, 就是这一块吧

也并不是很复杂, 多看几遍, 根据电压反馈理解一下吧.
其实应用, 有公式计算就是了, 不过建议理解一下.
你好Airwill,感谢您的详细解答,另外还有一个疑惑,就是假如我要将它配制成增益为20dB,那么从上面四个公式中,我该先从哪个着手呢?
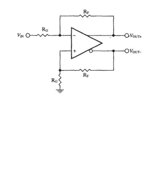
亲;全差分放大器的配置特点,就是全对称匹配。即两侧输入阻抗配置完全一致(阻抗包括源内阻),反馈配置完全一致。
亲,因此,无论你配置到多大增益,两者都是各担一半;差分输出。
你好XP,请问能方便加一下您的联系方式吗,方便私聊吗
你好,这个计算过程还比较复杂,你可以先百度下相关文章或参考下面的“差分应用手册”的第18节中关于差分端接阻抗详细计算过程,如果还不明白,有时间时我再跟你解释下。
http://www.ti.com/cn/litv/pdf/sloa054d
你好Andy Tan,这篇文章我看过,学到一些东西,但是对于参数的配置还是不是很明白,请问能详细讲一下吗,或者私聊,这个问题困扰我很长时间了,但是一直没有解决,帮助我一下吧
你好,今天我看了下这个全差动电路中关于单端输入、端接信号源的计算,大概是这样:
基本电路图如下:

为了确定从下图的划线看进去的运放输入阻抗VIN,移除 Vs和 Rs 同时让其他的输入源短路。
只要增益 A(f)>>1,那么运放就处在线性工作范围,运放的 Vn ≈Vp.Vn 看作是Vout+经过放大 R1/(R1+R2)倍之后所得.
假定运放工作是平衡的:Vout +=K*Vin/2,这里 K 是运放的闭环增益(Vocm = 0).

你好Andy Tan,感谢您的解答,我这里在文章里看到了,有很多困惑,就比如说我想将增益配置在20dB,请问具体步骤该怎么走(原谅我的无知~~~~)?
你好,今天下午有点忙,一有时间继续交流!
嗯,等着你,急用,谢谢
根据“差分应用手册”我们可以得出以下等式:
RIN=
=R3/[1-2*(R2/(R3+R2))] ----式1
RT =
----式2
VS=VIN*[(RT||RIN+RS)/(RT||RIN)];
VOUT=VS*[RT/(TR+RS)]*K= VS*[RT/(RT+RS)]*[R2/R3];
G=VOUT/VIN=[ (RT||RIN)+RS]*[R2/R3]*[RT/(RT+RS)];
正确端接时,RS= RT||RIN,公式简化为:
G=[2RS/(RT+RS)]*[R2/R3]
换算得到:
R2=R4=G[R1*(RS+RT)/(2RT)] ----式3
根据手册中的例子,假定 RS= 50Ω,电路增益要求为 2。 此外,约500Ω反馈电阻值是一个高速放大器的合理选择。
使用这些假设,选择 R1 =249Ω和 R3 = R1 – RS || RT
根据式2,我们可以算得:
RT=58.7
所以,R3 = R1 – RS || RT=249-50||58.7=249-27=222
根据式3,我们可以算得:
R2=R4=G[R1*(RS+RT)/(2RT)]=2[(249*(50+58.7)/(2*58.7)]=461
最终我们得到一个增益为1的输出,实际使用中,元件值调整到找到一个更适合的,标准的可用值。
如果你要增益设定为20db,可以参照上面的方法进行估算,反馈电阻值的话为了好的频率响应特性,根据不同的封装,layout和负载,使用手册的推荐值270? ~ 390?.
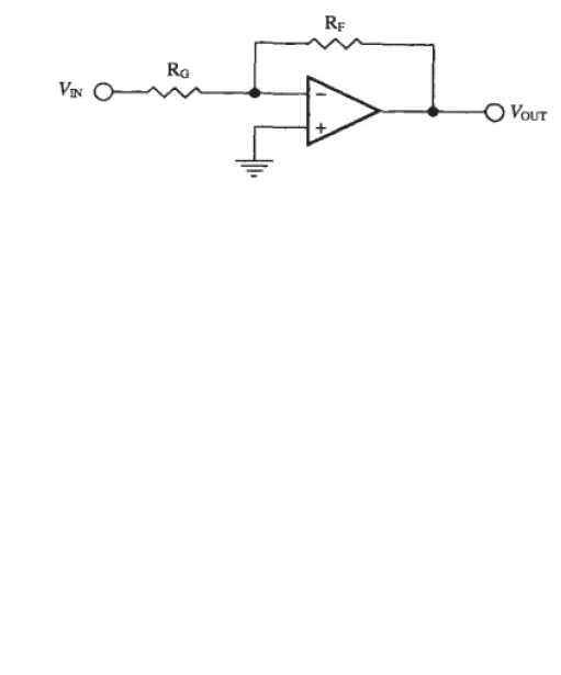
全差分运放的特点就是需要两个完全相同的反馈回路,单端输入和差分输入的区别就在于一端接GND,其实搭建电路时和单端运放时就多了一个相同反馈回路,比如下图1的单端运放闭合回路,增益G=Rf/Rg,图2是单端转差分的电路,增益G=Rf/Rg. 就是需要注意,单端转差分时候,G=1时,(Vout+)-(Vout-)=Vin,和4楼XP说的一样,每个输出各承担一半。

LMH6552没有TINA模型,可以使用其他全差分运放比如THS4531,这款有TINA模型,可以进行仿真增加理解。
学习了,运用差分也遇到了很多问题
如果遇到什么问题,或对应用什么方法解决的,欢迎跟大家一起分享。
我想知道我仿真了一下ths4513,为什么电压用5v和3.3v出来的结果不一样呢
