请教TI工程师关于INA333单电源应用的问题
您好,最近在用INA333
仪表运放单电源使用问题,甚为不解。
疑问一:按照技术论坛一网友提出过的INA333单电源问题而所得到TI工程师老师们的答复所说的,在单电源(+5V)供电的情况下,参考电压端2.5V,使运放工作于线性放大区,然后输入端只要满足了INA333最少100mV的共模电压即可正常工作,我的理解对吗?
下面是我的仿真实验:TINA仿真

在输入共模电压200mV ,差模电压12mV的情况下,输出是2.9184V, 如果是INA333正常放大工作的话,那么在Rg=1.01k时,放大倍数应该是100倍对吧,那么正常输出应该是0.012*100=1.2V 吧,但是为什么是2.9184V呢,是我理解有误,这样配置单电源不正确吗?
当然,双电源情况下还是很正常的

疑问二是:在参考电压不接2.5V,而是接地的单电源情况下,输出也不正常,那么是因为后级缓冲放大运放工作不在线性区的缘故吗?
仿真如下:

事实上电路最终是将正输入端212mV电压放大了 1+50/(50+1.01) =1.98倍,可是为什么是这么算的呢?第二个运放没有工作吗?然后为什么是1+50/(51.01)而不是按照正常的同相放大来算1+50/1.01(即使是反相输入端的运放二A2没有正常工作),后面的两个150k欧姆电阻为什么没有算进在内呢?(我说的运放一二是指INA333内部结构图)
希望得到您的解答,谢谢
这是对于仪表放大器最常见的一个问题。
这跟Vref引脚的电压没有关系,这个电路的问题在于输入信号超过了仪表放大器的正常工作范围。
INA333 是经典的三运放的仪表放大器结构,分为 缓冲增益级 和 差分级 , 楼主的电路在缓冲级的输出就已经饱和了。

V1 处出现了负值,在 0~ 5V的供电电压是不可能在这一级输出负值的。
你的第二个电路时对的,输出也是正确的 (212 - 200)* 100 = 1.2V;
第一个 和 第三个 是一样的问题,Vout = (Vin+ - Vin-)* 100 + Vref; 所以 第三个 结果 + 2.5 就是 第一个的结果。
对于仪表放大器的应用,最好从三运放的传递函数理解,仪表放大器的共模输入范围是跟增益有关的,增益越大,第一级允许输入的共模电压范围就越小。实际应用中,可以参考datasheet,figure20 figure21。
很感谢Billy老师的解答。看完老师的解答后,我仍然存在疑问,劳烦老师再次指导一下。在电路一种,老师说问题在于输入信号超过了仪表运放的正常工作范围了,可是输入信号共模信号是200mV,差模信号12mV,这也超过了吗?我在datasheet中找到的参考信息是,datasheet首页说到输入电压范围是V- +0.1V ~ V+ -0.1V,在第三页第十行给出的共模电压范围也是V- +0.1V ~ V+ -0.1V;而在这电路中,V-=0v,V+=5V, 所以范围是0.1V~4.9V,所以为什么说超过了呢?学生不太理解。此为疑问一;
疑问二是,Billy 老师说在缓冲级就已经饱和了,我不太明白是怎么饱和的,输出只有2.918V,未曾达到饱和的电压吧?
疑问三是,我要如何设计电路才能让INA333在单电源+5V条件下正常工作,放大?劳烦老师解答。谢谢O(∩_∩)O~。
你可以根据你输入的信号,计算一下我发的图中V1处电压。
嗯,是饱和了。呵呵谢谢老师
虽然感觉还没有完全看懂figure 20和21,不过先指出一个小问题,V1和V2计算式中的100k应为50k
Hi Bruce,
对于V+和V-的计算是否应该为Vid*GAIN+CMV?
输入共模=(Vin++Vin-)/2=(212mv+200mv)/2=206mv;
输入差模=(VIN+-VIN-)/2=(212mv-200mv)/2=6mv;
所以
VIN-=CMV-vid=206mv-6mv=200mv;
VIN+=CMV+vid=206mv+6mv=212mv;
最终可以得到:
V+=Vid*GAIN+CMV=6mv*100+206mv=806mv;
V- =-Vid*GAIN+CMV=- 6mv*100+206mv=-394mv;
可以看出V-存在了负电压的输出,即第一级输出出现的负向饱和,供电电压在单电源的情况下, 输出肯定是会有问题的。
Hi Jeffrey,
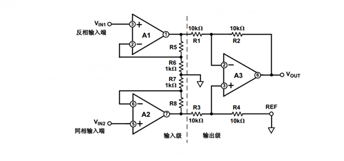
关于你的问题 “V1和V2计算式中的100k应为50k”,我觉得是没有问题的,看下面两个电路图是等效的:


你的理解是错误的,50K / (Rg / 2) 所以是 100K / Rg.
楼主也可以通过仿真软件验证一下这个公式,谢谢!
我仿真了下,数值基本符合我上面给出的数据。
附件是仿真源文件,有什么问题,还望指正:
7612.ISNTRUCTION _OPA277.TSC

Hi Andy,
我读书少,在网上找了一圈,似乎你们的算法是对的。
但是这个仿真的结果为什么和我的算法更加吻合。。。误差小于0.1mV
HI Jeffrey,不妨把你的算法列出来,看看你的想法。
Hi, Andy
虚短虚断,Rg两端分别为Vin+和Vin-,得Ig,每个50kOhm的电阻上流过的也是Ig,因此V1= Vin- - 50k(Vin+ - Vin-)/Rg = -400
Hi Jeffrey,
如你分析,RG两端的电压等于VIN+-VIN-,所以流过RG的电流IG等于(VIN+-VIN-)/RG,IG电流从A2的输出经过A1反馈电阻,RG和A2反馈电阻最终流向A1输出:
、
VOUT =(V2-V1)(R2/R1) //R1=R2
=(VIN2+IG*R6)-(VIN1-IG*R5)
=VIN2-VIN1+IG(R5+R6) //R5=R6
=VIN2-VIN1+[(VIN2-VIN1) /RG]*2R5
=(VIN2-VIN1)*(1+2R5/RG)
根据你的理解以及上面的推导,我觉得你这样分析是对的。
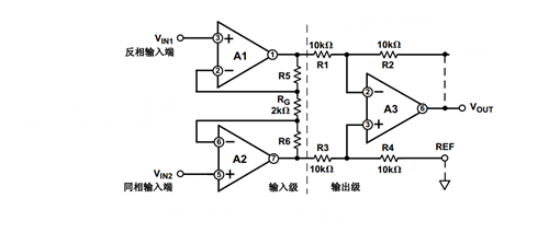
而对于另外一种放大结构:

VOUT =(V2-V1)(R2/R1) //R1=R2
=(VIN2+IG2*R8)-(VIN1+IG1*R5)
=VIN2-VIN1+IG2*R8-(IG1*R5)
=VIN2-VIN1+[VIN2/(RG/2)]*R8-[VIN1/(RG/2)]*R5 //R6=R7=RG/2; R5=R8
=(VIN2-VIN1)*(1+2R5/RG)
通过这个推导也可以看出,两个电路图虽然能得到相同的输入输出关系,但是电路的实现原理是有差异的。特别是上面那种方式通过改变RG的值,实现增益的调整,而并不增加共模增益和误差(加在RG两端的共模电压不会产生电流),即差分信号将按增益成比例增加,而共模误差不会,共模抑制比会更高。
你好,我想请问一下,你这个V+和V-算的是什么?我觉得V1和V2应该是按上面图上的那个公式计算的吧
你好,我想请问一下,你这个V+和V-算的是什么?我觉得V1和V2应该是按上面图上的那个公式计算的吧
