TLV274
时间:10-02
整理:3721RD
点击:

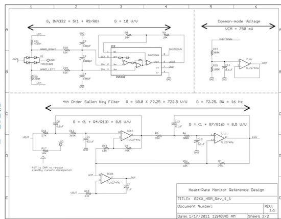
你好 问下TLV274文档上构成二阶Sallen-Key滤波器R13和R16连的是VDD/2为啥这上是VDD/4啊
楼主您好,
很简单,因为要使得你用的仪放INA332的输出电压刚好在电源轨中间,那么就需要让输入信号的共模电压等于VCC/4。所以周边的放大电路采用的基准电压也都是VCC/4。
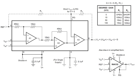
楼主可以参见INA332内部的原理图,如下:

如不清楚,欢迎继续交流
