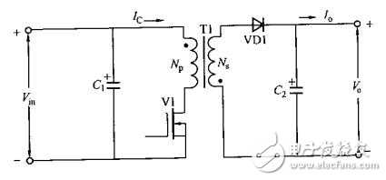
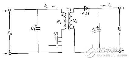
大家看看这个电路是正激式,还是反激式?
时间:10-02
整理:3721RD
点击:


反激式开关电源
看看,好好学习
反激式开关电源
还看不太懂,需要学习,。
反激的撒。
当开关导通时,输出二极管反向截止,开关关断时,变压器初级为上负下正,次级上正下负二极管导通工作,所以是反激变换器
这是反激电源。
过来学习的,看看
很早之前发的了
学习!
反激式开关电源,我前段时间刚学的
典型的反激式,见王兆安电力电子技术(第五版)133页
之前的小白小编早已是大神。求带。
谢谢分享。辛苦了 。
典型的反激式,看那两个小点
经典的反击式啊
反激式的,很经典的
