请教,如何实现搜索字符串并将匹配的字符全部显示出来?
时间:10-02
整理:3721RD
点击:
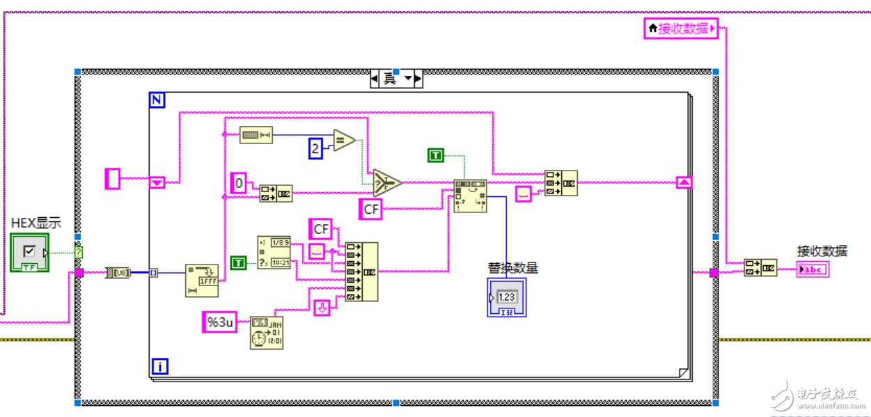
我现在想把数据接收框中带有CF的字符串全部显示出来,把其他的不显示,要怎么实现呢?本人新手,查了好久也没找到方法。


截取字符串这个功能可以把你实现
Try this:
OpenG Array-Seach Array .VI
好的,我试一下
我试一下
用过滤事件可以实现


截取字符串这个功能可以把你实现
Try this:
OpenG Array-Seach Array .VI
好的,我试一下
我试一下
用过滤事件可以实现