labview实现直线插补
时间:10-02
整理:3721RD
点击:
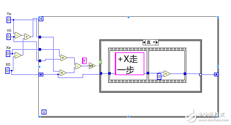
图片里LABVIEW里的结构能不能实现走一步的程序框图。有没有可以帮忙指点下。


撒乱起八糟的程序呀
while用循环+移位寄存器+条件结构
你用for循环初始值设为0实际撒都没有执行
程序架构不明朗啊。
