labview中波形图表横坐标时间和日期格式怎么设置
时间:10-02
整理:3721RD
点击:
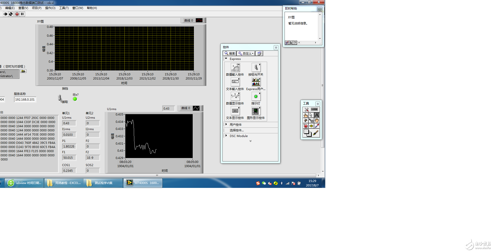
labview中波形图表横坐标时间和日期格式怎么设置,见图,时间总是当前的时间且总是一样的,而另外一个却回到了以前的时间,什么设置相对时间和绝对时间,都一样,求解。

设定偏移量......
偏移量设定好了,时间是当前的时间,但是每个时间点均是当前时间,日期却不对
