Labview 与STM32单片机串口通信时数据处理出现的问题
时间:10-02
整理:3721RD
点击:
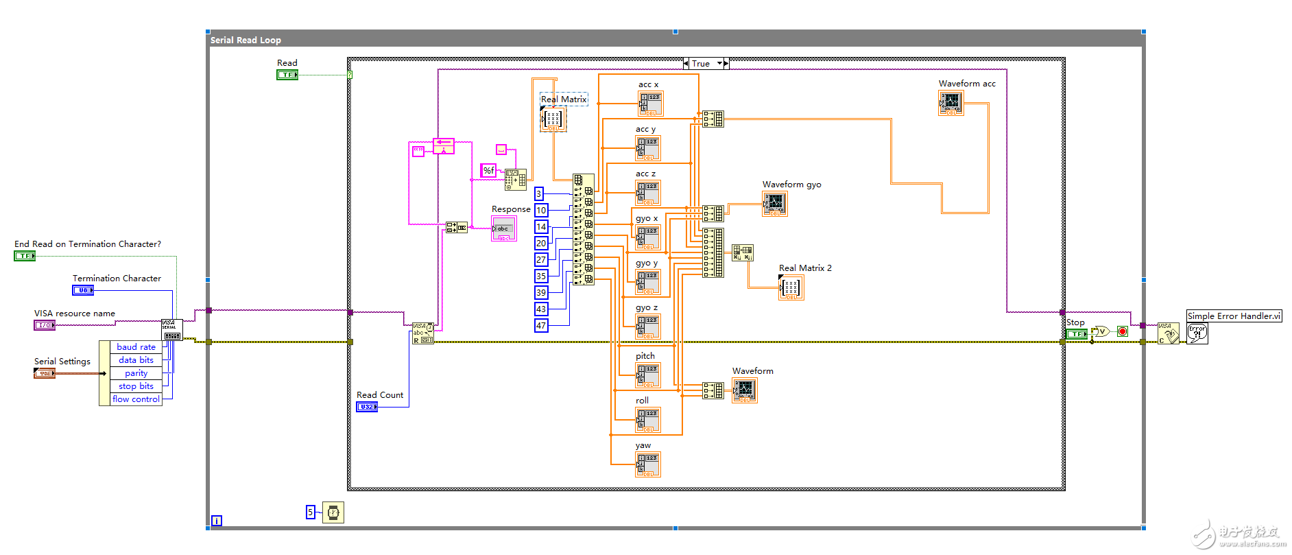
各位老铁大家好,本人初步了解LABVIEW软件,通过VISA 建立了32单片机通过串口传输Mpu6050加速度传感器数据,传输方式是通过printf输出“accx,accy,accz”;“gyox,gyoy,gyoz”;“pitch,roll,yaw”九组数据,中间有些许空格以隔开每组数据,在Labview中,将字符串数据转换成矩阵数组,然后选取出固定列数,从而提取出三轴加速度、角速度与欧拉角进行后续处理,但在数据传输中,有两个问题想请教各位,如何删除掉里面重复出现的0项的固定列,与数据在传输中会发生数据串位现象,导致在A列的数据会串行到A+1或者A-1位置,导致改行数据变0,曲线振动就异常明显。小弟在这里请教下各位,如何实现在字符串中选取的9组数据,并把它们分别放入9个子数据中,数据不出现串行的这现象,具体问题如图所示,还请大家不吝赐教!
后面板为小弟搭建的Labview逻辑图
下方矩阵中出现跳变现象,导致波形图紊乱。
后面板为小弟搭建的Labview逻辑图
下方矩阵中出现跳变现象,导致波形图紊乱。xuexixia
下位机发送加个帧头帧尾,在labview中在查找到帧头 在索引对应数据!
请问您的意思是在下位机串口输出的时候 每个输出数据前添加一个帧头,然后让Labview索引1维数组中的帧头,并输出其下一位数值,进行双组循环来实现吗?
