labview 频谱仪
时间:10-02
整理:3721RD
点击:
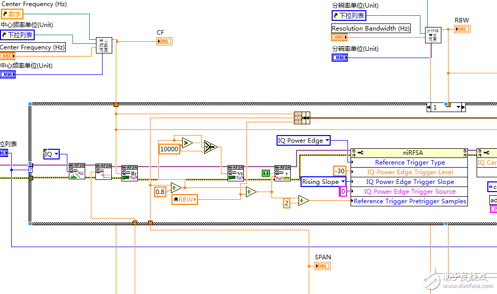
请问一下labview频谱仪程序里IQ什么意思,顺带解释下这个程序,谢谢

不知道啊 ZHEN
