labview myrio fpga开发中遇到了问题 求大神解答 O(∩_∩)O谢谢
时间:10-02
整理:3721RD
点击:
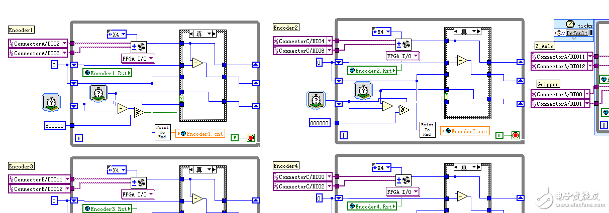
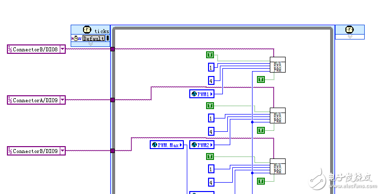
本人新手,想在MyRIO控制器FPGA中实现电机的PID控制,多次尝试编译报错,遇到了很多问题;LUTS经常超出,各种报错,希望大神能够给出FPGA开发中的一些注意的细节和开发技巧。下面是电机PID程序,编译出错了。主VI:
主程序

编码器测速采样vi

pwm vi

编译报错

我记得FPGA编程是不能用全局变量的
我看到官方程序是这样全局传递的 不知道会不会竞争问题
小编用的是什么版本的?我曾经按NI的官方范例模仿了一个一模一样的程序,也是不能编译。不过不是报错,而是直接程序崩溃。不知道是不是NI自身的BUG?
资源不够,需要优化
