labview, 用按钮控制过程,读取数据等待
时间:10-02
整理:3721RD
点击:
请问,我要用labview实现从传感器读数据并显示保存的功能,但是我现在一运行,就是所有的全部开始,但是我想设置2个按钮,第一个按钮按下的时候开始读取数据并且显示在波形中,第二个按钮按下的时候才把数据保存到excel中。请问怎么实现呢?
另一个问题是我那个读数据,传感器每一分钟才发来一组数据,我需要设置多少次循环呢?还是要设置延迟啊,因为运行的时候会不会报错?
下图是前面从传感器读数据,后面即将把数据保存在excel中,我现在想用2个按钮,让程序有顺序的进行,谢谢大家!
另一个问题是我那个读数据,传感器每一分钟才发来一组数据,我需要设置多少次循环呢?还是要设置延迟啊,因为运行的时候会不会报错?
下图是前面从传感器读数据,后面即将把数据保存在excel中,我现在想用2个按钮,让程序有顺序的进行,谢谢大家!

1.在VISA处设置一个读取按钮,控制是否读取,打开按钮就开始读取,读取处理后就显示到波形中(如果没有打开读取按钮,返回字节数为0,用这个控制是否显示波形)。2.同样的,用保存按钮控制是否写入EXCEL。3.你这是什么触感器一分钟才发一次数好奇怪。一分钟太久了,用延时吧,用返回的字节数不为0控制是否波形显示,这个和前面一致。欢迎加群(557572818)交流。
坛友 你所说的第三个问题 是否可以修改刷新时间来改变速度
它发送的数据是硬件决定的,修改刷新时间也没用吧
那么该如何搞呀 还望坛友赐教
这就像木桶原理,实际采集频率大小应该是由下位机和上位机中最小的决定的,下位机频率这样了,上位机上面能有何作为。不过硬件肯定也是根据实际来的,既然它频率那么低,只能说明它本身就不需要太高频率。
谢谢你的讲解 我想问一下 对于51单片机 选择不同频率的晶振 是否可以改变单片自身的运算速度
频率高的运算速度快点,但是51单片机常用的晶振就是12和11.0592,差别不是很大,一般不太考虑这个问题。
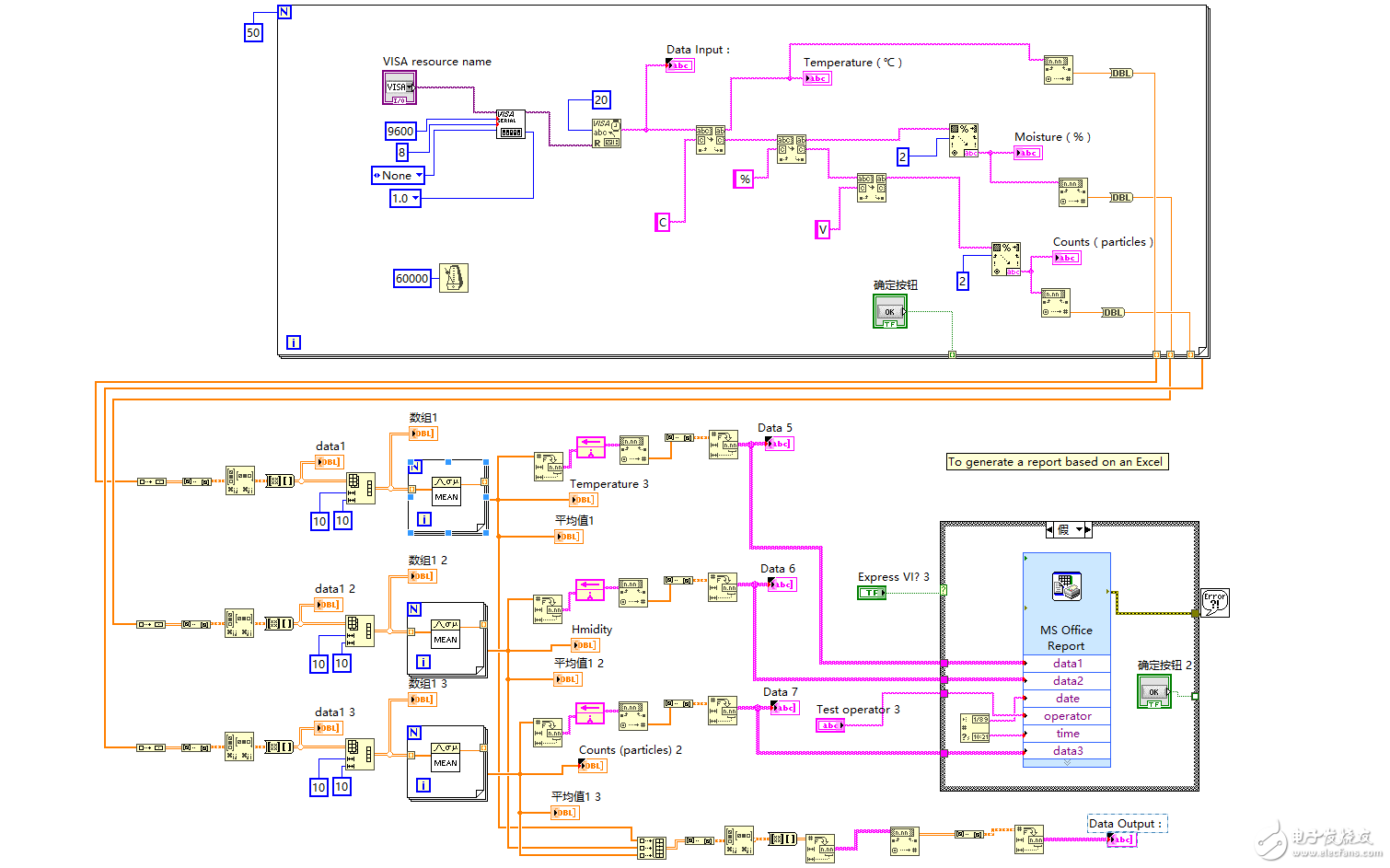
程序框图是这样,您看下哪里有问题,请详细指点,谢谢!

您看下我的框图,需要怎么修改呢?
