NI多通道采集,0和1通道的波形是一样的,怎么会是这样,求高手指点!
时间:10-02
整理:3721RD
点击:
采集卡是NI6361,单独显示通道信号是没有影响的,比如接0通道,1通道不接,只显示一个通道时,0有信号。1没有;但是同时显示两个信号,就出现上面的情况了。求大神指点指点啊!
0通道有电信号,1通道没接线,两个图都有信号,难道是程序问题?

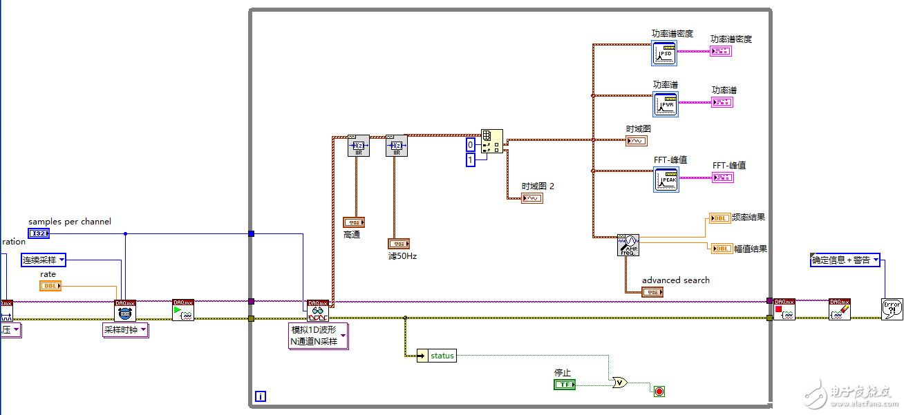
这是后面板程序

有可能是干扰产生的,用不到的通道你就把它接地,悬空很容易受到干扰
采集卡的硬件电路决定的,不用的通道不要悬空
学习一下。
应该不是,接0通道,显示1通道,信号没用影响
同时显示两个通道,信号是一样的,单独显示是没问题的,是不是程序出了问题啊
把不用的通道接个地试试 又不是很难。大家这么说都是有原因的。
先排除硬件问题比较简单,实在不行再检查程序
问题解决了吗
不错的文件,感谢分享,顶一下
通道悬空会受相邻通道的影响,不用考虑
通道串扰,正常现象,不用管
