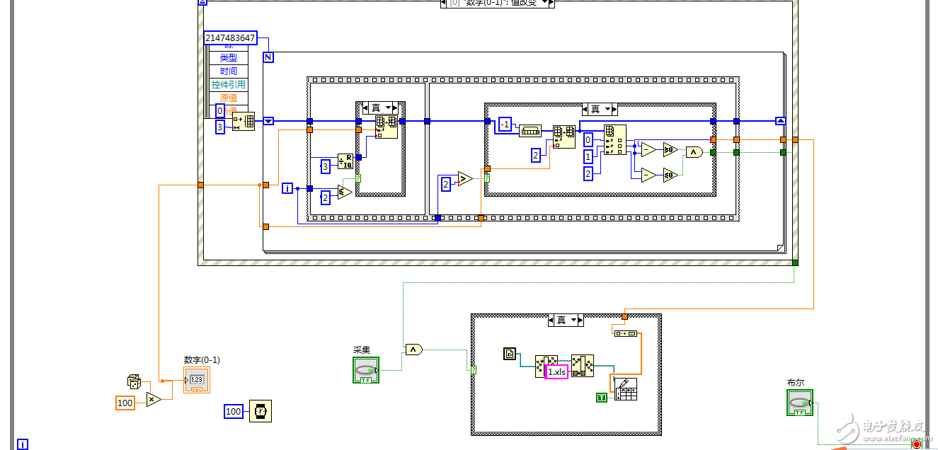
谁能帮我分析一些这个程序的问题,怎样改进

多试一下就什么都有了

在事件结构左上角加上一个延时就可以了,不加延时默认是-1,表示始终等待
试着加了,不过还是不会进入 数值改变的 事件分支
也添加了 超时 的事件分支
哦,懂你意思了。将这个分支设置为超时分支,然后设置延时,这样每次都会运行超时分支。
把产生的随机数赋值给“数字(0-1)”的属性(值(信号))
我希望这个程序可以在用 每隔固定的采样时间里用得出的采样值 做一定的分析(就是for循环里的内容),这个改变的频率可以由采样时间设置(未在题目VI里给出)。
所以我就用了 随机数改变一次就进入分支一次这种方式 模拟 一定的采样时间出一个采样值并进入分支 来测试分析的函数能不能运行成功,现在的问题是for结构一直不能得到随机数值。
所以这个分支只能是 数值改变 分支
能再展开讲讲吗 ?要用属性节点 ?
(值(信号)) 这个属性节点找到了

这样连了以后运行就只有一个随机数进入for循环
不会只有一次的,你看一下是不是你的事件结构里面的For循环造成的,for循环怎么会执行这么多次
要求按停止按钮后for结构里的程序(就是数据分析)就停了,数据分析需要用移位寄存器 ,那就需要用while或for,但是while的停止按钮要用局部变量,和我要把 这个程序放到 实验的那个总程序 里while的停止机械动作有冲突。所以就用了for,但是N又不确定了。所以干脆设了一个最大值
不过题目里的程序可以把for改成while,但是我试了一下还是只有一次

加个超时。
一直是同一个随机值再whilel里面循环
加过 ,然并卵…………
那你 可以把移位寄存器放到外面的while循环,把里面的那个while循环去掉,你这一直在里面做死循环,怎么把数据传出去
谢谢 好多了~~~~~
学习了 感谢各位坛友分享
无回帖,不论坛
LABVIEW超级简单啊,自己好好学些
帮顶。
