基于多核工业PC的电力系统实时仿真器
时间:10-02
整理:3721RD
点击:
摘 要:电力系统实时仿真器多基于专用的硬件设备,本文介绍了一种新的基于通用多核工业PC 的仿真器和它的仿真软件StarSim。并行计算是实现实时仿真的关键技术StarSim 通过分布式参数线路进行系统分割,利用图形化的编程方式来实现子系统的多核并行仿真。本文以一个四机两区域12 节点的系统为例,通过比对Simulink 的仿真结果,以及实时仿真器外接模拟AVR 的闭环仿真实验结果来验证所介绍的仿真软件和实时仿真器。
1 引言
由于必须确保电网的安全稳定运行,在实际的电网上做实验往往是不被允许的,因此人们一般都需要通过动模实验(微缩的物理模型)或者软件建模仿真的方式来研究各种电力系统的控制策略。实时数字仿真器既可以像动模一样同真实控制器接口构成闭环系统;又具有软件仿真易于改变拓扑,易于测试故障工况的特点,因此电力系统实时仿真器已成为进行电力系统试验研究,规划设计,调度运行和状态安全评估的重要工具。随着电力系统拓扑的变大,其仿真所需的计算量将指数增长,将系统的拓扑分割为几个等效的小系统后并行仿真是实现电力系统实时仿真的关键,同时并行计算单元间的高速的确定性通信也是实现电力系统实时仿真的关键目前市场上常见的电力系统实时数字仿真器,有加拿大的RTDS, HyperSim, 中国电科院的ADPSS等[1-3];这些实时仿真设备一般都基于厂家专有的硬件设备来实现并行计算和高速通信,整个实时仿真系统的价格一般都比较的昂贵。
随着计算机硬件技术的进步,现在的工业PC 也配置了适合于并行计算的多核CPU,并且每个CPU 核的计算能力日益增强,这个使得在通用的工业PC 平台开发电力系统实时仿真器成为可能。本文介绍作者所在公司以通用的多核工业PC(PXI)为硬件基础,以图形化的编程软件LabVIEW 为软件基础研发的电力系统实时仿真器;着重介绍了模型分割的方法和多核并行仿真的实现方法。、
2 StarSim 电力系统仿真软件
StarSim 是一款基于LabVIEW的软件,LabVIEW是美国NI(NationalInstruments)公司提供的一个知名的图形化的编程软件,它在工程师和科研人员中得到了广泛应用, StarSim 填补了LabVIEW 这个平台上没有电磁暂态仿真软件的空白。StarSim 是基于状态方程的仿真软件,它利用基本的电路理论(KCL 定律与KVL 定律)以及元件自身的数学方程形成系统整体的状态方程。
其中x 为系统的状态变量(电感电流和电容电压),u 为系统的输入变量,A, B 为系数矩阵。StarSim采用了同EMTP 方法一样的计算精度高、数值稳定性好的二阶隐式梯形积分法来更新系统状态,具体如式(2)
StarSim 主要有两个组成部分,一是 StarSim Editor,这是一个可以供用户编辑模型的图形化界面,如图1 ; 二是StarSim在LabVIEW中的主程序(LabVIEWExpress VI),此程序可以把搭建好的系统模型转换为可以执行的代码。StarSim提供了常用的电力系统元件[4],如电机库包括同步电机,异步电机,永磁同步电机,直流无刷电机等;无源元件库包括电阻,电容,电感,三相变压器,单相、三相分布式参数线路,三相PI型线路等。
图 1.StarSim 模型编辑器
当系统模型中含有多个开关元件(如断路器)时,为了避免实时仿真时在线形成新拓扑的数学模型破坏仿真的实时性,在实时仿真时StarSim 将预先生成所有可能的拓扑(离线仿真时StarSim 是遇到新的拓扑时才形成新的方程),同时为了避免生成的拓扑过多,StarSim 规定实时仿真时每个子系统最多只能含有9个开关元件,超过此数目时需要通过分布式参数线路模型来将系统切割为几个等效的子系统。
3 利用分布式参数线路分割模型
分布式参数线路的一个特点就是其等效模型(图2 图3)的两端是没有直接的电气连接的,一端对另一端的影响是通过值(电压值和电流值)传递进行的,因此其是一个很好的用于将大的拓扑分割为几个小系统的元件。
4 实时仿真软硬件基础
4.1 PXI 工业多核计算机
PXI是由PXI联盟定义的一种工业计算机,主要由三个部分组成:机箱,主CPU模块,各种IO和总线接口板卡,PXI最主要的供应商是美国NI公司。PXI可以运行实时操作系统,其实时操作系统的定时精度可以达到1 微秒。在实时仿真(半实物仿真,也称硬件在环仿真)领域,PXI已经在汽车,航空航天等行业已经得到了的广泛的应用[6]。
4.1 LabVIEW 图形化的并行编程环境
多核并行编程一般都是通过文本的方式利用多线程方式来实现[7-8];因为文本编程本身是用串行的方式来表达的,对于并行和线程间通信的表达,LabVIEW的图形化的编程方式会显的更直观和形象。在 LabVIEW 中,一个定时循环(Timed loop)就代表一个线程,用户可以将一个或者多个定时循环分配到指定的CPU 核上,这样可以方便的实现单核多线程,或者多核多线程并行的编程。定时循环之间可以通过确定性的RT(Real Time) FIFO 来进行通信。RT FIFO 是LabVIEW封装好的一种实时循环间的通信API,它的特点是支持以确定性方式发送和接收数据,数据传输不会引起实时系统的抖动(jitter)。 图 5 中有两个LabVIEW 定时循环,一个分配到了CPU 的0 核,一个分配到了CPU 的1 核,每个循环的周期都是100 微秒(dt 为100)。每个循环中都运行着一个StarSim 的模型程序,这两个子模型是原来一个大系统通过一条分布式参数线路分割得到,线路两端的电压和电流通过RT FIFO 实现核之间的实时确定性通信。
本文以图6 这样的一个4 机2 区域12 个三相节点(此系统从Kundur 系统的基础上修改得来,在原Kundur 系统联络线的右端加了一个无穷大)的系统作为测试算例。通过图6 中虚线所示的位置,将这个大的系统分为两个子系统进行并行仿真。
图 9 展示的是在实时闭环仿真实验(PXI 仿真步长为100 微秒)时,在联络线中点发生持续0.1 秒的三相对地短路故障时,四台同步发电机的励磁电压变化曲线,可以看到AVR 在短路时通过强励来维持机端电压;
系统故障消除后,励磁电压快速回到原值的整个过程。
本文介绍了一种新的电磁暂态实时仿真软件,StarSim,它的特点是可以基于低价位的多核工业PC(PXI)实现电力系统的实时仿真。StarSim 的研发使得电力行业的科研和工程人员选择实时仿真平台时多了一个选项。下一步的工作包括利用PXImc 高速通信技术来实现多PXI 的多核多机并行仿真,使得本文介绍的软件和硬件可以进行更大规模的电力系统的实时仿真。
1 引言
由于必须确保电网的安全稳定运行,在实际的电网上做实验往往是不被允许的,因此人们一般都需要通过动模实验(微缩的物理模型)或者软件建模仿真的方式来研究各种电力系统的控制策略。实时数字仿真器既可以像动模一样同真实控制器接口构成闭环系统;又具有软件仿真易于改变拓扑,易于测试故障工况的特点,因此电力系统实时仿真器已成为进行电力系统试验研究,规划设计,调度运行和状态安全评估的重要工具。随着电力系统拓扑的变大,其仿真所需的计算量将指数增长,将系统的拓扑分割为几个等效的小系统后并行仿真是实现电力系统实时仿真的关键,同时并行计算单元间的高速的确定性通信也是实现电力系统实时仿真的关键目前市场上常见的电力系统实时数字仿真器,有加拿大的RTDS, HyperSim, 中国电科院的ADPSS等[1-3];这些实时仿真设备一般都基于厂家专有的硬件设备来实现并行计算和高速通信,整个实时仿真系统的价格一般都比较的昂贵。
随着计算机硬件技术的进步,现在的工业PC 也配置了适合于并行计算的多核CPU,并且每个CPU 核的计算能力日益增强,这个使得在通用的工业PC 平台开发电力系统实时仿真器成为可能。本文介绍作者所在公司以通用的多核工业PC(PXI)为硬件基础,以图形化的编程软件LabVIEW 为软件基础研发的电力系统实时仿真器;着重介绍了模型分割的方法和多核并行仿真的实现方法。、
2 StarSim 电力系统仿真软件
StarSim 是一款基于LabVIEW的软件,LabVIEW是美国NI(NationalInstruments)公司提供的一个知名的图形化的编程软件,它在工程师和科研人员中得到了广泛应用, StarSim 填补了LabVIEW 这个平台上没有电磁暂态仿真软件的空白。StarSim 是基于状态方程的仿真软件,它利用基本的电路理论(KCL 定律与KVL 定律)以及元件自身的数学方程形成系统整体的状态方程。

其中x 为系统的状态变量(电感电流和电容电压),u 为系统的输入变量,A, B 为系数矩阵。StarSim采用了同EMTP 方法一样的计算精度高、数值稳定性好的二阶隐式梯形积分法来更新系统状态,具体如式(2)

StarSim 主要有两个组成部分,一是 StarSim Editor,这是一个可以供用户编辑模型的图形化界面,如图1 ; 二是StarSim在LabVIEW中的主程序(LabVIEWExpress VI),此程序可以把搭建好的系统模型转换为可以执行的代码。StarSim提供了常用的电力系统元件[4],如电机库包括同步电机,异步电机,永磁同步电机,直流无刷电机等;无源元件库包括电阻,电容,电感,三相变压器,单相、三相分布式参数线路,三相PI型线路等。

图 1.StarSim 模型编辑器
当系统模型中含有多个开关元件(如断路器)时,为了避免实时仿真时在线形成新拓扑的数学模型破坏仿真的实时性,在实时仿真时StarSim 将预先生成所有可能的拓扑(离线仿真时StarSim 是遇到新的拓扑时才形成新的方程),同时为了避免生成的拓扑过多,StarSim 规定实时仿真时每个子系统最多只能含有9个开关元件,超过此数目时需要通过分布式参数线路模型来将系统切割为几个等效的子系统。
3 利用分布式参数线路分割模型
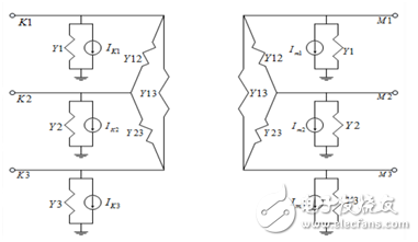
分布式参数线路的一个特点就是其等效模型(图2 图3)的两端是没有直接的电气连接的,一端对另一端的影响是通过值(电压值和电流值)传递进行的,因此其是一个很好的用于将大的拓扑分割为几个小系统的元件。

图 2. 单相无损分布式参数线路的等效电路

图 3. 三相分布式参数线路的等效电路
以最简单的无损单相分布式参数线路为例,其注入电流的计算公式[5]如下,
其中k 为k端的注入电流源, I τ 为波传播时间,c Z 为特征阻抗, 为m 端的端口电压、电流。三相分布式参数线路的详细公式(Bergeron)参见文[5]。


图 4. 两个单端模型匹配为一个三相线路模型
StarSim 设计了如图4 中的单端三相分布式参数线路的模块,除了电气端子外,还有数据输入和数据输出的端子,用来和对端进行电压值和电流值的交互,两个单端元件匹配起来就可以替换原来的一个三相输电线模型。分布式参数线路模型不仅可以利于并行运算,把系统切割为两个拓扑后,相当于式(1)的方程通过行列变换化为如式(4)的对角阵,一个大的方程变为两个阶次低的小方程,将大大的减少仿真的计算量。

4 实时仿真软硬件基础
4.1 PXI 工业多核计算机
PXI是由PXI联盟定义的一种工业计算机,主要由三个部分组成:机箱,主CPU模块,各种IO和总线接口板卡,PXI最主要的供应商是美国NI公司。PXI可以运行实时操作系统,其实时操作系统的定时精度可以达到1 微秒。在实时仿真(半实物仿真,也称硬件在环仿真)领域,PXI已经在汽车,航空航天等行业已经得到了的广泛的应用[6]。
4.1 LabVIEW 图形化的并行编程环境
多核并行编程一般都是通过文本的方式利用多线程方式来实现[7-8];因为文本编程本身是用串行的方式来表达的,对于并行和线程间通信的表达,LabVIEW的图形化的编程方式会显的更直观和形象。在 LabVIEW 中,一个定时循环(Timed loop)就代表一个线程,用户可以将一个或者多个定时循环分配到指定的CPU 核上,这样可以方便的实现单核多线程,或者多核多线程并行的编程。定时循环之间可以通过确定性的RT(Real Time) FIFO 来进行通信。RT FIFO 是LabVIEW封装好的一种实时循环间的通信API,它的特点是支持以确定性方式发送和接收数据,数据传输不会引起实时系统的抖动(jitter)。 图 5 中有两个LabVIEW 定时循环,一个分配到了CPU 的0 核,一个分配到了CPU 的1 核,每个循环的周期都是100 微秒(dt 为100)。每个循环中都运行着一个StarSim 的模型程序,这两个子模型是原来一个大系统通过一条分布式参数线路分割得到,线路两端的电压和电流通过RT FIFO 实现核之间的实时确定性通信。

图 5.LabVIEW 多核并行和通信框图
5 算例验证与实时仿真实验本文以图6 这样的一个4 机2 区域12 个三相节点(此系统从Kundur 系统的基础上修改得来,在原Kundur 系统联络线的右端加了一个无穷大)的系统作为测试算例。通过图6 中虚线所示的位置,将这个大的系统分为两个子系统进行并行仿真。

图 6. 四机两区域系统

图 7.StarSim 与Simulink 的离线仿真结果比对(dt=1e-4)
图7展示的在联络线中点发生0.04秒的三相对地短路时,联络线左端的电压电流的变化曲线。Simulink 的结果是将12 节点的系统作为整体仿真的,StarSim 的结果是分割模型的仿真结果,可以看到二者是很接近的,验证了StarSim 模型切分后仿真的准确性。本文以图8 这样的一个硬件架构来测试与验证本文介绍的实时仿真系统,其中PXI(型号为PXIe-8135,其配有Intel i7 2.3GHz 的四核CPU)作为电力系统的实时仿真器,CompactRIO(NI 公司提供的一种小型工业实时PC)用来模拟一个AVR。实时仿真器和模拟AVR通过IO 板卡连接而构成一个实时闭环仿真测试系统。
图 8. 实时闭环仿真系统示意图
在实时仿真时测试了两种工况,一种是把整个系统都放在一个CPU 核上进行实时仿真,一种为两个子系统在双核上并行运行,测得的模型运行时间如表1所示,分核并行运行明显降低了模型运行所需的时间。
图 9 展示的是在实时闭环仿真实验(PXI 仿真步长为100 微秒)时,在联络线中点发生持续0.1 秒的三相对地短路故障时,四台同步发电机的励磁电压变化曲线,可以看到AVR 在短路时通过强励来维持机端电压;
系统故障消除后,励磁电压快速回到原值的整个过程。

图 9. 发电机励磁电压的变化曲线
6 结论本文介绍了一种新的电磁暂态实时仿真软件,StarSim,它的特点是可以基于低价位的多核工业PC(PXI)实现电力系统的实时仿真。StarSim 的研发使得电力行业的科研和工程人员选择实时仿真平台时多了一个选项。下一步的工作包括利用PXImc 高速通信技术来实现多PXI 的多核多机并行仿真,使得本文介绍的软件和硬件可以进行更大规模的电力系统的实时仿真。
哥们你是上海远宽能源公司的?
