labview中“已用时间”使用中的问题
时间:10-02
整理:3721RD
点击:
希望大家帮我看看:
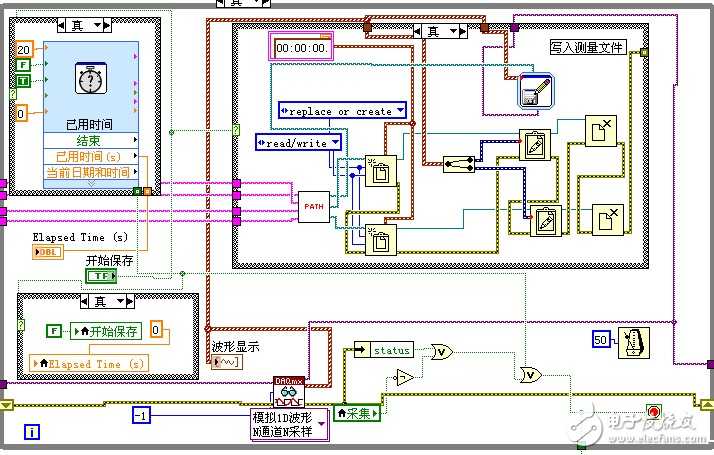
我在使用“已用时间”定时来结束一个while循环,第一次运行是正常的(从0开始),但是第二次,第三次运行的时候为什们已用时间不会从0秒开始,而是从一个数值开始,比如5啊10啊的,我想每一次触法的时候都从0开始。希望大家帮我解决下
我在使用“已用时间”定时来结束一个while循环,第一次运行是正常的(从0开始),但是第二次,第三次运行的时候为什们已用时间不会从0秒开始,而是从一个数值开始,比如5啊10啊的,我想每一次触法的时候都从0开始。希望大家帮我解决下


是否设置了初始值
设置了起始时间是0 。
有木有人给我解决下啊。
如图,每次到3秒后就会自动重置

跳出循环同时也要归零
谢谢,我使用其他办法来定时了。非常感谢
你用的什么方法呢,我跟你遇到同样的问题了,你用什么定时了呢?谢谢哈
唉唉我也是这样的问题
