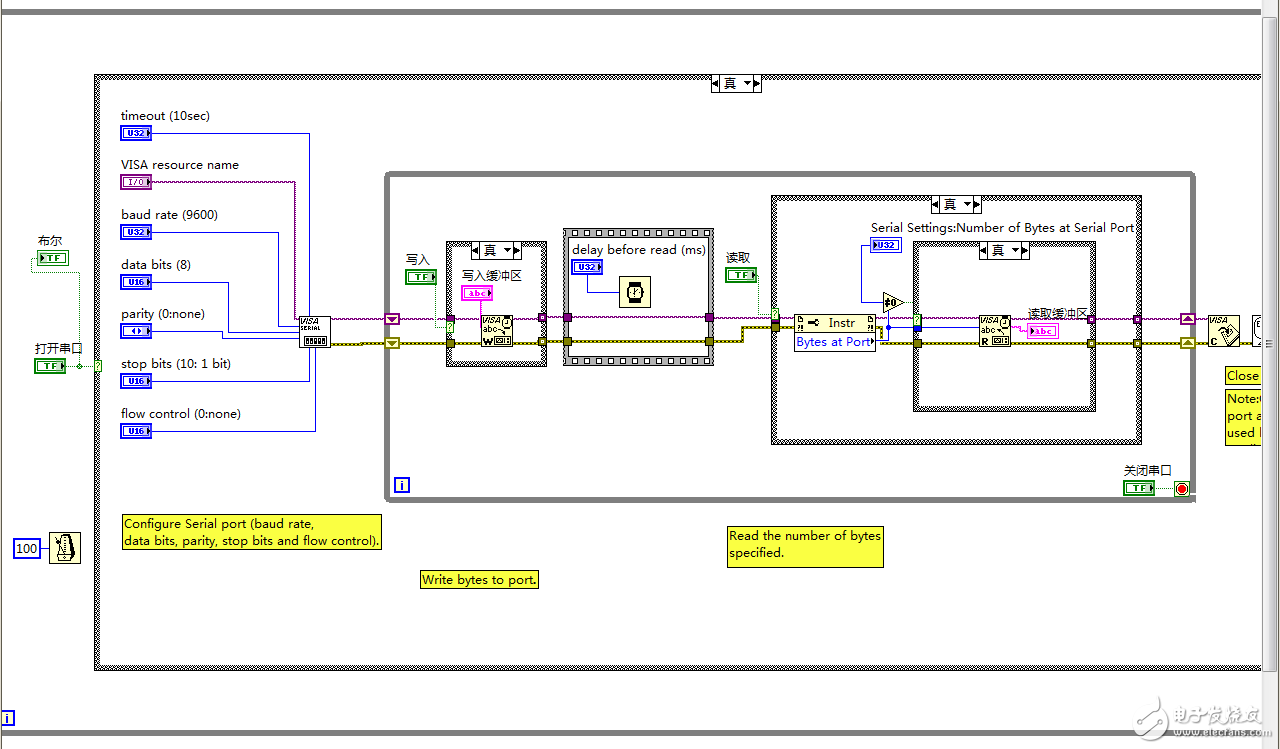
LABVIEW 做的串口助手 怎样判断我的串口是确实打开了呢 为什么发送数据 在接收区没有反应 前面是配置好了的
时间:10-02
整理:3721RD
点击:
LABVIEW 做的串口助手 怎样判断我的串口是确实打开了呢 为什么发送数据 在接收区没有反应 前面是配置好了的
同问。我的也是这个问题
如果没有接入仪器,就下个虚拟串口 网上一搜就出来了 按步骤做就行了 在设备管理器了可以看到你的串口是正常的还是没有安装好驱动
Not all of the device functionality may be available.
你不把程序传上来,谁也不知道什么原因
恩好的 欢迎指正

你先把读串口的条件为真,然后你再点击写入按钮,这是能读到数据。如果等你先点写入,再点击读取,除非你加在写入串口和读取串口之间的延时时间很长,不然你收不到数据。你还是先好好参考下别人的串口程序是怎么写的
