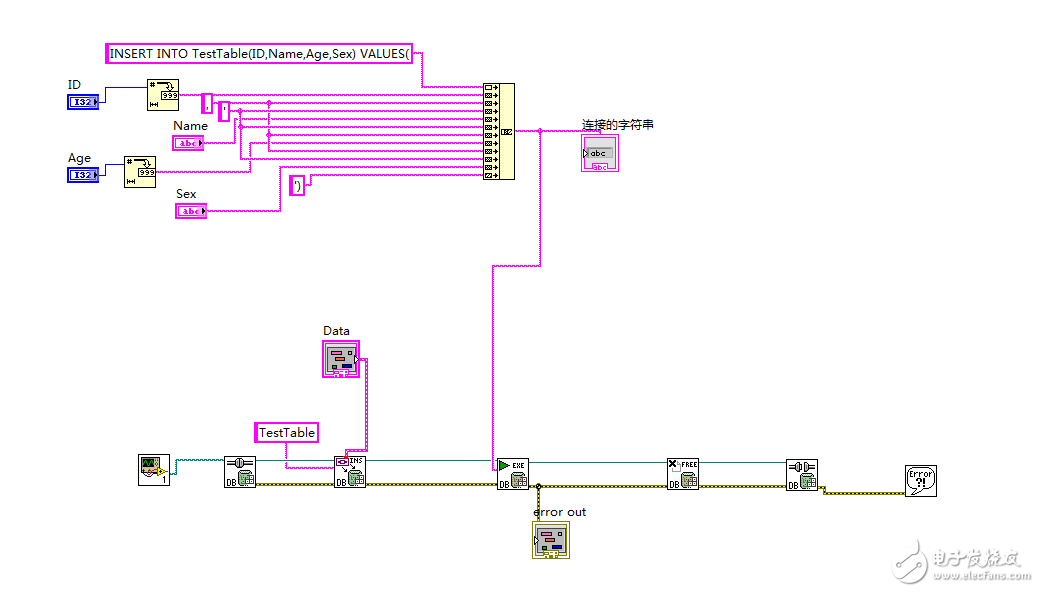
labview中如何将数据保存到access数据库中
时间:10-02
整理:3721RD
点击:
求求大侠们帮助啊
利用database等数据库工具包应该可以做到,可惜不太懂
用数据库连接工具包。
求解
用LabSQL
安装Database工具包,利用相应的函数可以解决
同意楼上的
我也在学习中,郁闷,不懂啊
关注总。
学习中。
下载试试
不懂中……
activex
正在学习中。
存大量数据时,怎么提高速度
我也正在发愁了,随便搞一点数据存储插入还行,现在不知道给如何把采集的数据写进去
加qq吧364896593
回头大家可以沟通一下
安装LabVIEW的数据采集工具包,先将LabVIEW与数据库相连,再进行数据的存储等
下载个database connectivity工具包,挺简单的
怎么弄呢?谁能说下啊,。,,
dddddddddddddddddddddddd
zenm ,吗没有人回答么
这个会出错,但是数据可以成功添加进表中去

