微波EDA网,见证研发工程师的成长!
搜 索
首页
微波射频
射频和无线通信
天线设计
硬件设计
PCB和SI
通信和网络
测试测量
应用设计
研发杂谈
研发问答
首页
>
研发问答
>
测试测量
>
Labview
> labview NI MODBUS 库使用的时候可以开两个串口吗?急!
labview NI MODBUS 库使用的时候可以开两个串口吗?急!
时间:10-02
整理:3721RD
点击:
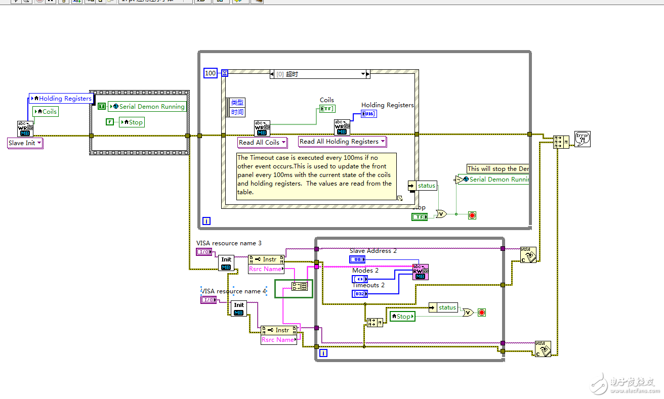
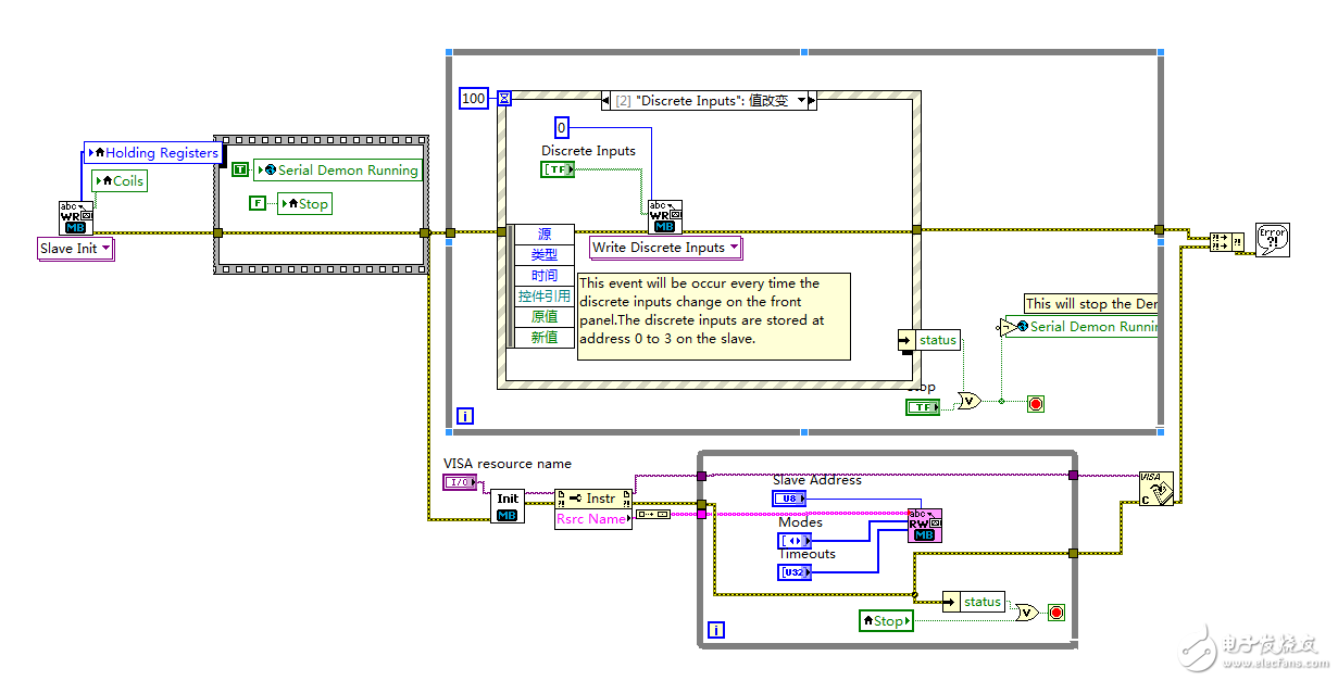
使用NI MODBUS库,想开两个串口,如下图程序,测试只有串口创建数组之后的第一个串口可以正常收发,怎么解决? 测试的时候是使用两个电脑,连接两个串口。
我的程序
例程程序
自己顶一下,有人做过吗?
上一篇:
用labview程序不能读取研华工控RS232串口的问题!?
下一篇:
求助 想对于一个传感器模型进行模型仿真 自己做了一部分想参考下大家的思路
栏目分类
移动通信
微波和射频技术
无线和射频
PCB设计问答
硬件电路设计
嵌入式设计讨论
手机设计讨论
信号完整性分析
测试测量
微电子和IC设计
热门文章
LabVIEW宝典(第2版)配套700
求MAC版的labview安装包,破解
labview中子面板控件问题,向
labview远程访问服务器的mysq
LabVIEW 8.6软件及注册机下载
注册表应用一:动态注册数据源
找个labview高手兼职
labview与PLC通过OPC(UA)通
Copyright © 2017-2020
微波EDA网
版权所有
网站地图
Top