DAQmx中,错误-50103发生于 DAQmx Start Task.vi:7220002
时间:10-02
整理:3721RD
点击:
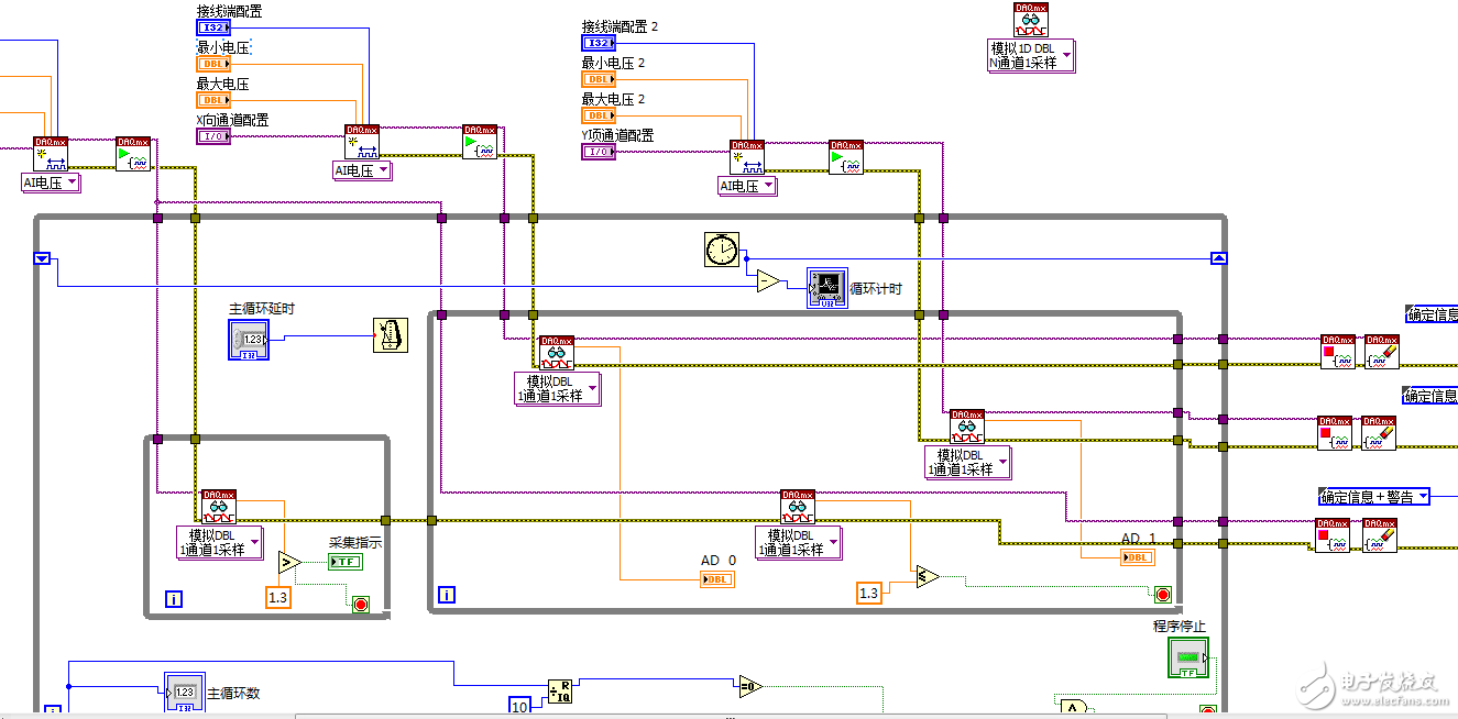
大家好!我现在用DAQmx在一个循环中同时读取两个通道的值,然后弹出错误”50103“,通过NI的官网搜索,是不是一个循环中不能用两个DAQmx读取或者写入,而应该改为一个DAQmx读取或者写入多通道?




你好,请问你的改好了吗,能否看看改的结构?
