labview怎么显示读取的表格中的文字
时间:10-02
整理:3721RD
点击:
只会用labview读取电子表格中的数据,但是电子表格中的文字怎么读取啊,需要什么转换函数呢,求大神指点,感激不尽。

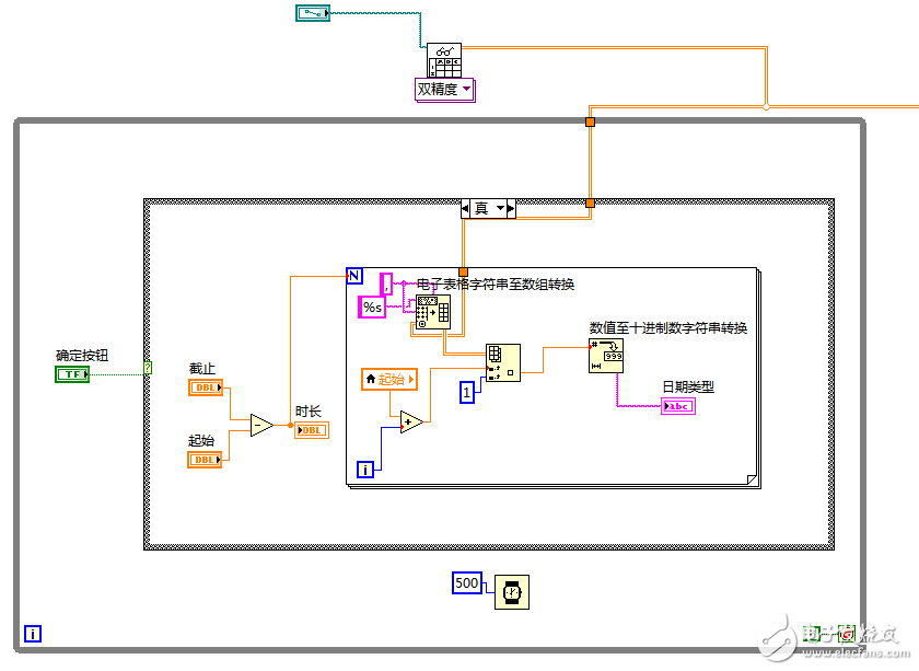
电子表格全部按字符串读取,指定的列用字符串到数值转换
ggd
可以用读取字符串的方式读取啊
亲在哪啊,只有读取电子表格函数啊
帮顶,我也正在做类似的
把这个改成字符串就OK了!



感谢回帖,但是电子表格里有的列是文字,有的列是数字,索引不同的列,读取的也不一样,如果调整这个,那数字怎么读取。
数字不也是字符串吗?除非你要参与计算,,,
