带行首和列首的表格写入表格
时间:10-02
整理:3721RD
点击:
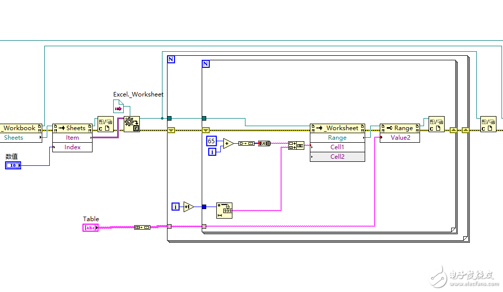
那个值为什么是65啊 求解


你可以在运行的时候在连接字符串函数前面加探针看看
值是多少 我知道 就是不知道为什么要设置成这一个值 我改成65以下他就会报错 改成66就会在数据前加一个空行 67就加2行 感觉65应该是定位这个单元的 就是不知道他是怎么就算的 因而求解
原来是定位A列 A的ascII就是65
