Vision模块中,怎么处理源图像分别得到两种结果?
时间:10-02
整理:3721RD
点击:


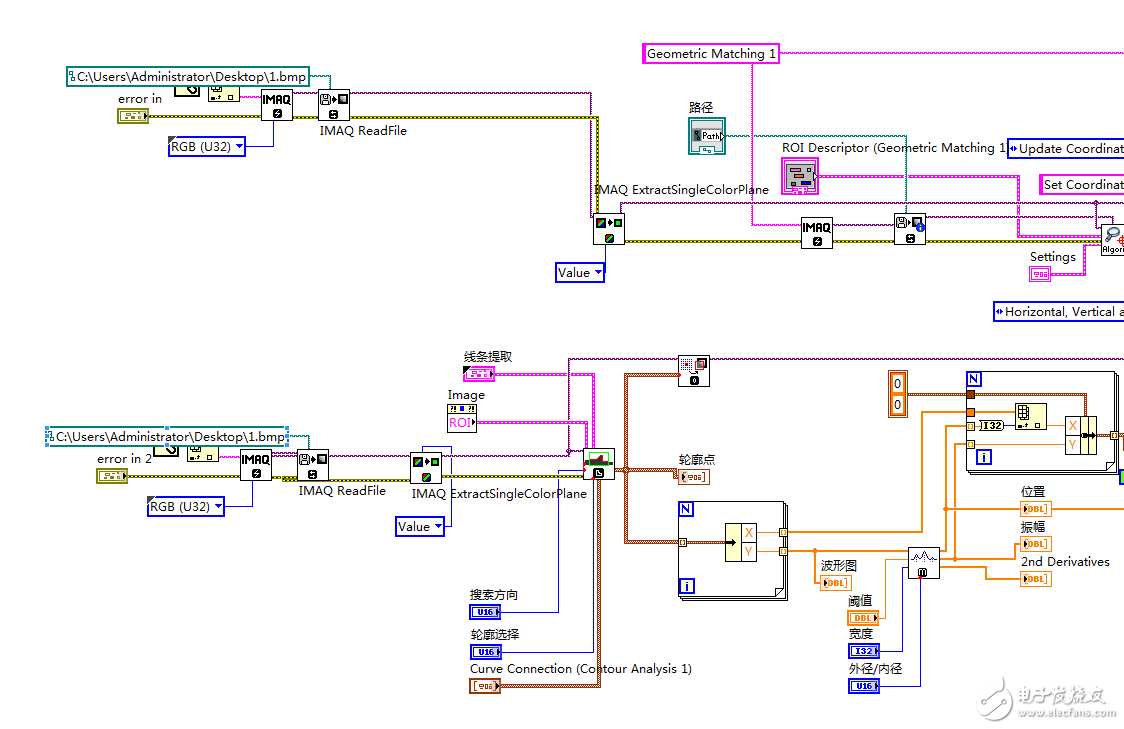
我这操作反复运行的话,图像显示的结果会变,从上图可以看出第一个图像结果是在第二个图像结果上处理得到的,请问有什么办法可以修改下程序框图,让两个程序并行处理源图片。上图二中我这样处理肯定不对,本人新手,求大神指点,谢谢
复制到另外一个缓存里
![]()
你读取一次源图片,然后分别创建2个图像处理的子VI,这样子的话就并行处理源图片啊
学习下...
比matlab做這个强太多了
能否把这个程式发给我学习一下,万分感谢
