LabVIEW异步调用,子VI关闭问题
时间:10-02
整理:3721RD
点击:
背景:
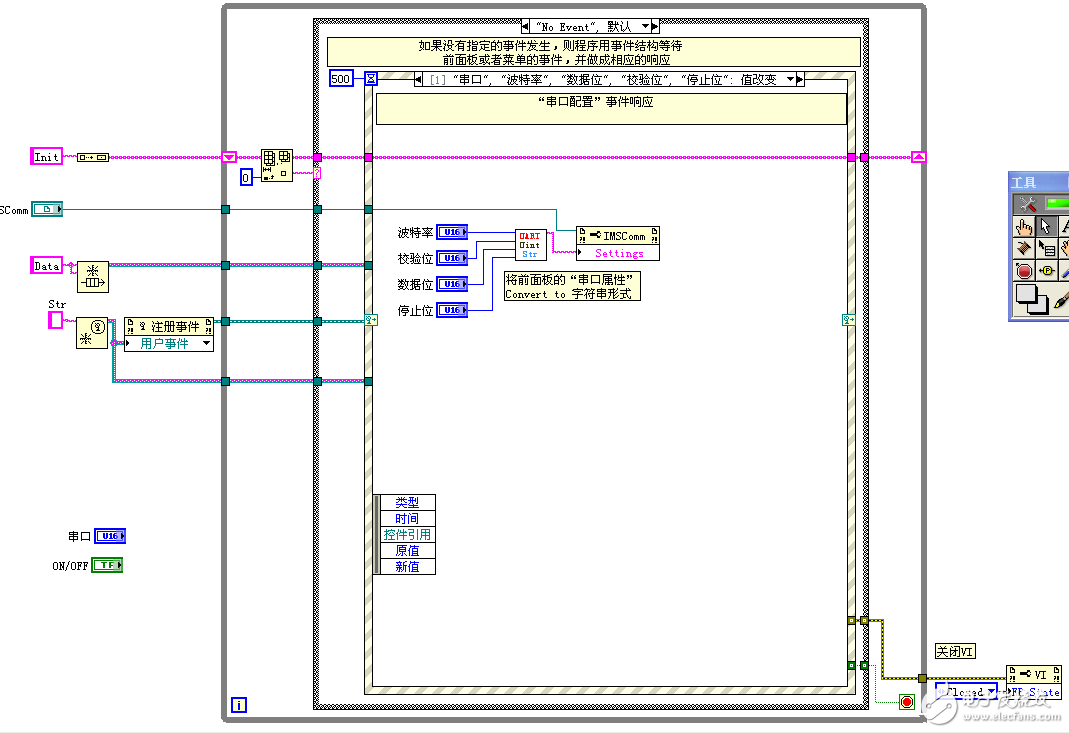
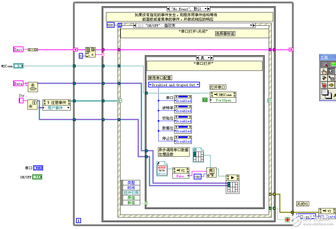
菜鸟,基于ActiveX控件的串口接收,用到了异步调用(看论坛上大神贴)。大结构,“队列消息处理器”+“事件响应”,队列消息处理器完成初始化,以及后期的一些不依靠前面板控件的处理过程。事件响应,前面板控件响应,以及用户事件,这里的用户事件定义的是串口中断收到的数据,配合事件响应接收数据。事件响应中用到异步调用,想法是:打开串口后,异步调用接受数据的子VI,数据事件响应到主VI,进行处理;关闭串口,关闭子VI,等待下次打开。
问题:
1.想要实现串口的关闭与程序关闭无关,前面板单击串口关闭的时候,能把这个异步调用的VI也关掉,望大神指教。
2.有没有其他更好的程序结构,望大神指教。




非常有用,很不错的
大哥,程序结构是有bug的,“按键值”改变条件限制了串口队列数据的发送,所以就导致异步调用中的字符串响应没法触发,正在想办法解决,
