请问怎样获取选项卡控件里面控件的引用?
时间:10-02
整理:3721RD
点击:

怎么获取这里12个数值的引用?
不想用下面方法,

一个一个的
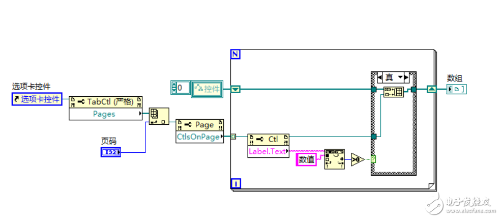
将控件Label规范,用Label.text区分是不是你想要的控件:(不好意思,第一次截图错了)
告诉我获取vi所有控件引用也行啊!前面板属性节点-获取控件不能获取选项卡里面的控件引用!
我之前也试过,发现是不能获得的
如下获取

在属性-选项卡中指定页面去获取
