新手求助,DAQ数据采集
时间:10-02
整理:3721RD
点击:
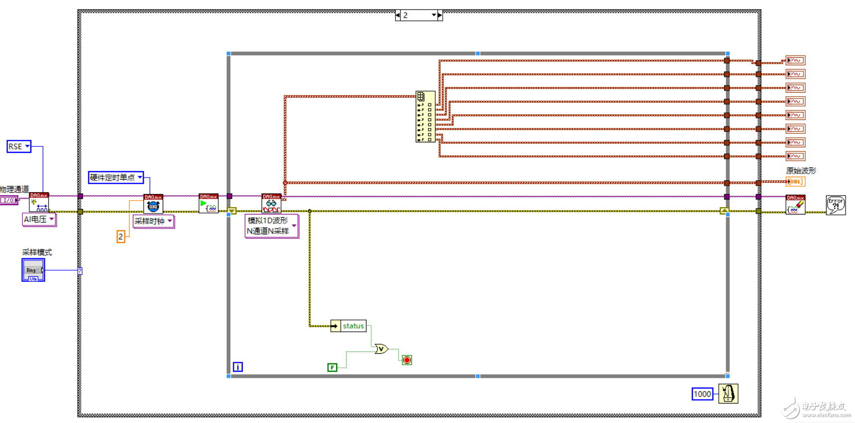
有个问题哈,这个我要用3种采样模式,我就加了一个条件结构,8个通道的波形图应该是放在while循环里面的,但是放在里面的话,3种模式在界面上岂不是有24个图了?像图上这样放在外边也不对,我应该怎么做呢?求指教

不会的,就单独运行你判定的条件语句。
放在循环里面,可以用属性节点——局部变量尝试。
运行不会太慢吗?
谢谢!
